EasyManua.ls Logo

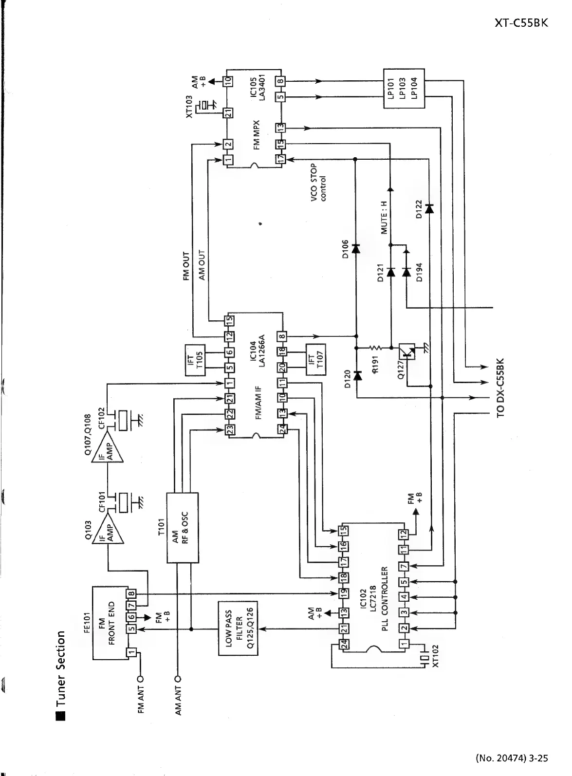
JVC CA-C55BK - Schematic Diagram - Tuner Section

JVC CA-C55BK
144 pages
Print Icon
To Next Page IconTo Next Page
To Next Page IconTo Next Page
To Previous Page IconTo Previous Page
To Previous Page IconTo Previous Page
Loading...
XT-C55BK
aSS9-xd
OL
(No.
20474)
3-25
YATIOULNOD
Td
812291
j013U09
dOLS
ODA
p
bq
v99ZLV1
vOLoi
9ZLO'SZLD
wai
4
$SVd
MO1
Ino
wd
3$0
8
du
=
ae
elt
Sites
LOLL
fa
ea
ote
ain
oe
Z
L
CC]
Co
Na
LNOUW
Z0L49
LOLA
W4
B0L0’Z0L0
E0LD
LoLad
uolas
43aUNL
wy
nnd
:
=
oak
4

Related product manuals