EasyManua.ls Logo

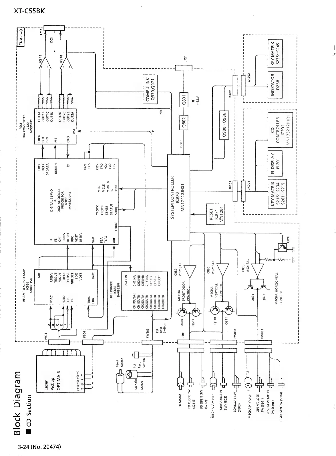
JVC CA-C55BK - Block Diagram - CD Section

JVC CA-C55BK
144 pages
Print Icon
To Next Page IconTo Next Page
To Next Page IconTo Next Page
To Previous Page IconTo Previous Page
To Previous Page IconTo Previous Page
Loading...
XT-C55BK
hg
get
Se
Pee
ft
Pat
ope
ty
oogonia
gate
fA
Wo
Ne
te
age
SO
Dette
Ue
rl
1
LYHIZLZEL
LNW
bell
10291
Sizs~tozs
|
fot
Sv7S~SEZS
geza
YITIOULNOD
LozTd
vezs~9izs
|
i
|
XIULVI
Aa»
|
|
YOLWDICNI
a
Avidsiatd
| |
Xtunvwaan
|
|
;
ot
t
i
i
t
t
I
ry
zozvr
Lozwr
veil
enees
i
t
-L
zozar
9860~0860
ABS
Yt
beer
|
Logo
|
1£60'0£60
XINIINdWOD
ISHITLDLLINW
04691
YITTOULNOD
W3LSAS
[2080
|
ddO'd
oans
SALVLS
JSN3S
r
oe
ee
eee
ee
342013
i
WOOTL
i
Hl
I
!
i
!
1
I
gy0LZ799NW
;
0Lgdi
wWOSS3DOUd
NOS
TWLIDIG
HgW3G
Rg
a
OAY3S
TWLIDIG
Vivaus
108
1
ther
Ov63!
you
1
ZOSSENW
H
0z63)
YWILUZANO)
W/d
67
l-VWN3
W3d
dW
OAUIS
8
dw
du
%
:
1
i]
0680
:
Fo
i
LN
1OULNOD
;
ch
(poRs)
Ms
NMOG/dN
TWLNOZIMOH
WHEW
!
1
oth
(s08s)
MS
AYOWAWS
3534
7680
LEBMS
—-
(08S)
Ms
J)
cal
4SO7D/NadO
WeLZSN
za
at
(co
JOIOW'H
VHD3W
06891
i
1
(£085)
LogMm
MS
8Vf/OVOI
1160
fas
(2085)
MS
JOUINOD
NIANIZVOVW
WOILYIA
WeLzsw
Seer
xe
SE
(==
JOIOW"A
VHO3
06891
6
1
(7s2s)
rans
MS
NAdO
O4
re
L880
(12s)
TOUINO
CB
msason
as
yood
LNOUs
L(g
Loser
TweLz7sw
yunaw
NA)
0880
(oa
JONOW
G4
088d!
!
3M
'
aLnovH>
4
tae
inodo
VLNOPHO
na
-NidO
aLNOEHD
+NIdO
VLNOEHS
VNIPHD
=
SLNOZHD
08M
§NIEHD
VINOZHD
HAS
1020/
aNizH>
BLNOLHD
I
sabe
WNILHD
—-
ViNOLHD
H
LS
nd
fee
eas
i]
o—
Ni
svia
:
Co
1
JO,0W
d4€669V8
I
a4
09891
!
is
YANG
118
:
I
vad
iar
liad
oda
(—X4X-
M+)
1303UN
40d
igi
S$sOuD
30d
SUDUL
¥1dO
asad
130
1no34
S-VINILdO
ad
inoa
a
AN3dY
dnyaI1d
1
Jase}
!
!
I
:
I
aseogenv
I
0€891
i
uo!pes
dD)
H
1
i
i
wesbeiq
420]g
3-24
(No.
20474)

Related product manuals