EasyManua.ls Logo

JVC JL-A15 - Model JL-A15 Schematic Diagram

JVC JL-A15
15 pages
Print Icon
To Next Page IconTo Next Page
To Next Page IconTo Next Page
To Previous Page IconTo Previous Page
To Previous Page IconTo Previous Page
Loading...
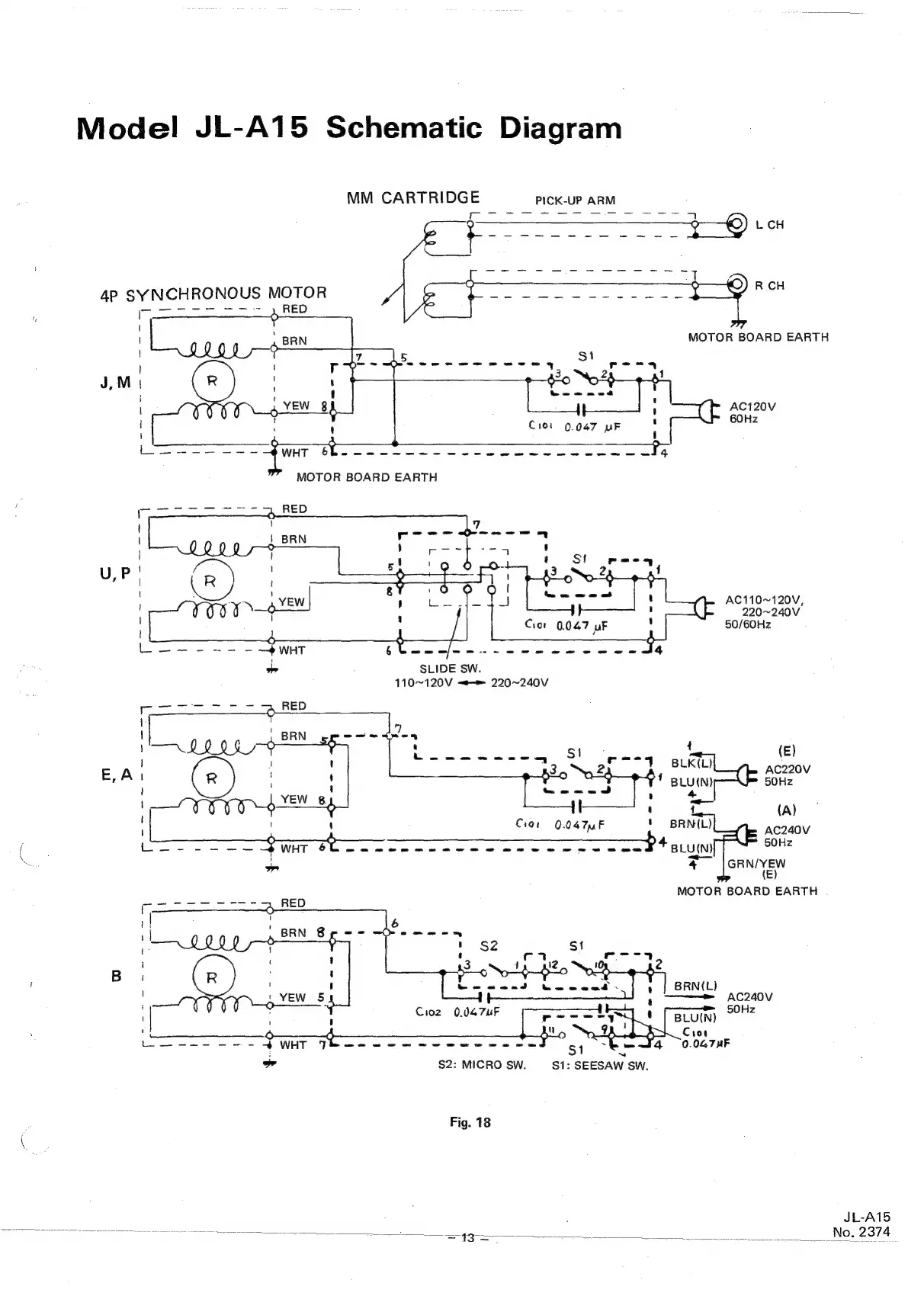
Model
JL-A15
Schematic
Diagram
MM
CARTRIDGE
PICK-UP
ARM
Pee
ON
ae
ee
ee
ese
ee
A
L
CH
R
CH
MOTOR
BOARD
EARTH
-
Bc
2
1
ew
wm
mowed
'
|
:
—¢
AC120V
t
\
Ciot
0.047
pF
60Hz
AC110~120V,
220~240V
50/60Hz
*”
SLIDE
SW.
110~120V
~—=
220~240V
“3
q
Gio
ecw
eee
Si)
Tb
an
(E)
2
r
4
BLKIL)
AC220V
1
BLUIN)
50Hz
to
=
oe
od
4
——
3
'
{
(A)
Cot
0.047
1
BRNIL)
,
AC240V
Se
ee
i
BOHZ
UIN)
4
GRN/YEW
(E)
MOTOR
BOARD
EARTH
UJ
3
3
\
a
es
aaa
ed
ee
weds
+
|
BRN(L)
~~
AC240V
.
a
ime:
0a
Tee
ros
eem!
[econ
OO
7a
Cros
oo
WHT
OT
g1
ee
4
0.067HF
Lad
$2:
MICRO
SW.
$1:
SEESAW
SW.
Fig.
18

Related product manuals