EasyManua.ls Logo

JVC KD-AR470

JVC KD-AR470
225 pages
To Next Page IconTo Next Page
To Next Page IconTo Next Page
To Previous Page IconTo Previous Page
To Previous Page IconTo Previous Page
Loading...
C
Other external component / Otro componente externo / Autre appareil extérieur
CD changer jack
Jack para el cambiador de CD
Prise du changeur CD
*
9
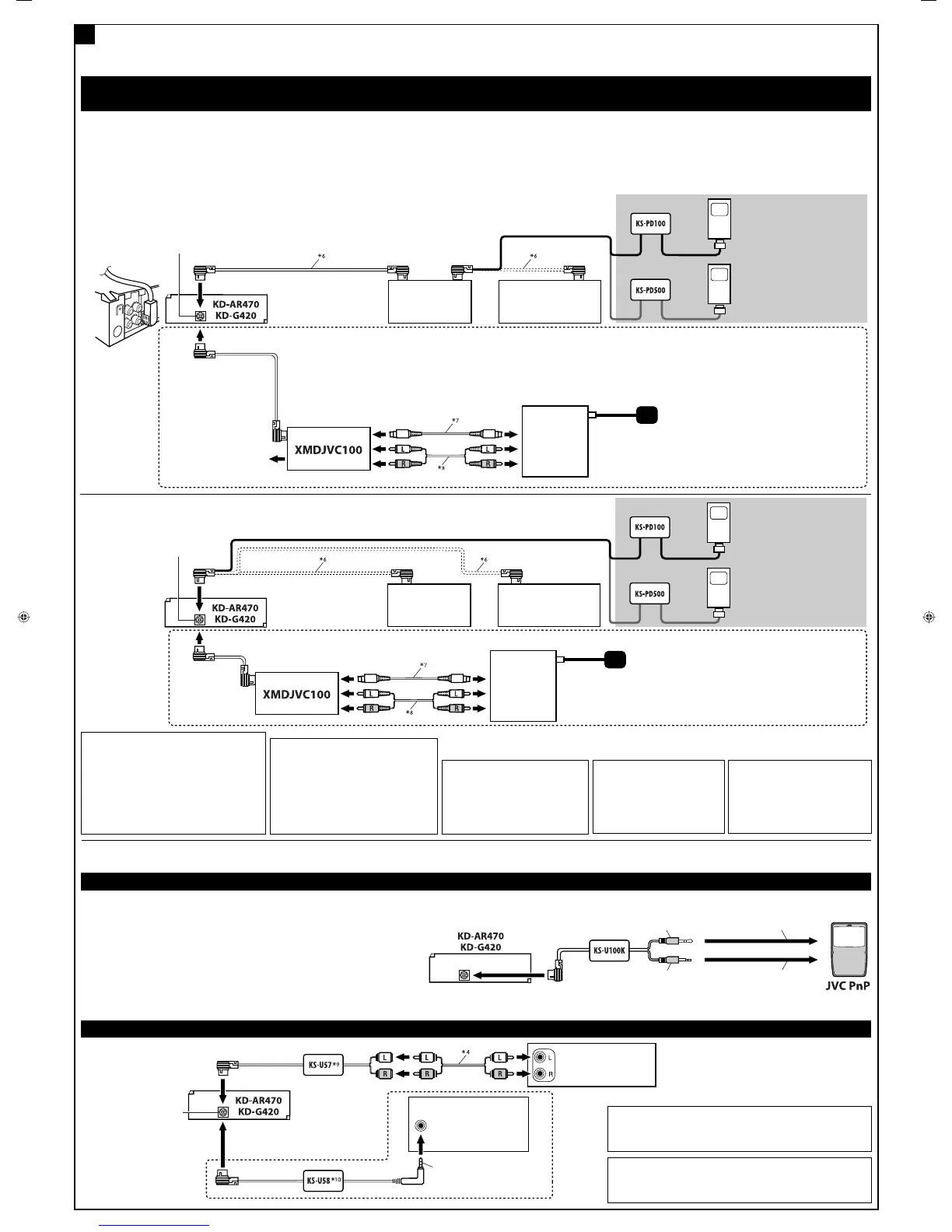
Line Input Adapter KS-U57 (not supplied for this unit)
*
9
Adaptador de entrada de línea KS-U57 (no suministrado con esta unidad)
*
9
Adaptateur d’entrée de ligne KS-U57 (non fourni avec cet appareil)
Connecting other external components / Conexión de otros componentes externos / Connexion d’un autre appareil extérieur
CAUTION / PRECAUCION / PRECAUTION:
Before connecting the external components,
make sure that the unit is turned off.
Antes de conectar los componentes
externos, asegúrese de que la unidad esté
apagada.
Avant de connecter les appareils extérieurs,
assurez-vous que l’appareil est hors tension.
JVC PnP (Plug and Play) / PnP (“Plug and Play”) JVC / PnP (“Plug and Play”) JVC
You can also connect JVC PnP through this unit using JVC SIRIUS radio adapter,
KS-U100K (not supplied).
Turning on/off the unit can also turns on/off the JVC PnP.
También podrá conectar la PnP JVC a través de este receptor utilizando el adaptador
para radio SIRIUS JVC, KS-U100K (no suministrado).
Al encender/apagar el receptor también se enciende/apaga la PnP JVC.
Vous pouvez aussi connecter le PnP JVC à cet autoradio en utilisant l’adaptateur de
radio SIRIUS JVC KS-U100K (non fourni).
Mettre sous/hors tension l’autoradio peut aussi mettre sous/hors tension le PnP JVC.
CD changer jack
Jack para el cambiador de CD
Prise du changeur CD
Stereo mini plug
Miniclavija estéreo
Fiche stéré mini
DC power plug
Clavija de alimentación de CC
Fiche d’alimentation CC
To DC IN jack
Al jack DC IN
À la prise DC IN
To headphones jack
Al jack para auriculares
À la prise du casque d’écoute
Set “EXT IN” to “CHANGER” (See page14 of the INSTRUCTIONS.) / Ajuste “EXT IN” a “CHANGER” (Consulte la página 14 del MANUAL DE INSTRUCCIONES.) / Réglez “EXT IN” sur “CHANGER” (Voir la page
14 du MANUEL D’INSTRUCTIONS.)
Set “EXT IN” to “EXT IN” (See page 14 of the INSTRUCTIONS.) / Ajuste “EXT IN” a “EXT IN” (Consulte la página 14 del MANUAL DE INSTRUCCIONES.) / Réglez “EXT IN” sur “EXT IN” (Voir la page 14 du
MANUEL D’INSTRUCTIONS.)
*
6
Signal cord supplied with your JVC
CD changer or DLP
*
6
Cable de señal suministrado con su
cambiador de CD o DLP JVC
*
6
Cordon de signal fourni avec votre
changeur de CD ou processeur DLP JVC
4
*
5
iPod is a trademark of Apple Computer, Inc.,
registered in the U.S. and other countries.
*
5
iPod es una marca comercial de Apple
Computer, Inc., registrada en los EE.UU. y
otros países.
*
5
iPod est une marque de commerce d’Apple
Computer, Inc., enregistrée aux États-Unis et
dans les autres pays.
3.5 mm stereo mini plug
Miniclavija estéreo de 3,5 mm
Mini fiche stéréo de 3,5 mm
External component
Componente exterior
Appareil extérieur
Apple iPod
(separately purchased)
Apple iPod (adquirido separadamente)
iPod Apple (vendu séparément)
JVC D. player
(separately purchased)
Reproductor D. JVC (adquirido
separadamente)
Lecteur D. JVC (vendu séparément)
JVC DLP
DLP JVC
Processeur DLP JVC
JVC CD changer
Cambiador de CD de JVC
Changeur de CD JVC
JVC DLP
DLP JVC
Processeur DLP JVC
JVC CD changer
Cambiador de CD de JVC
Changeur de CD JVC
or
o
ou
or
o
ou
External component
Componente exterior
Appareil extérieur
*
10
AUX Input Adapter KS-U58 (not supplied for this unit)
*
10
Adaptador de entrada AUX KS-U58 (no suministrado con esta unidad)
*
10
Adaptateur d’entrée AUX KS-U58 (non fourni avec cet autoradio)
For listening to the XM Satellite radio, you can also connect XMDirect
TM
Universal Tuner Box (separately purchased) through this unit using JVC
Smart Digital Adapter—XMDJVC100 (not supplied).
Para escuchar la radio satelital XM, también puede conectar el Sintonizador universal XMDirect™ (adquirido por separado) al receptor mediante un
adaptador Smart Digital XMDJVC100 de JVC (no suministrado).
Pour écouter la radio satellite XM, vous pouvez aussi connecter le tuner universel XMDirect
TM
(vendu séparément) à cet appareil en utilisant l’adaptateur
numérique intelligent JVC—XMDJVC100 (non fourni).
Antenna (supplied with XMDirect
TM
Universal Tuner Box)
Antena (suministrada con el Sintonizador universal XMDirect
™)
Antenne (fournie avec le tuner universel XMDirect
TM
)
CD changer jack
Jack para el cambiador de CD
Prise du changeur CD
CD changer jack
Jack para el cambiador de CD
Prise du changeur CD
To CD changer, KS-PD100,
or KS-PD500
Al cambiador de CD,
KS-PD100 o KS-PD500
Au changeur de CD,
KS-PD100 ou KS-PD500
Apple iPod
(separately purchased)
Apple iPod (adquirido separadamente)
iPod Apple (vendu séparément)
JVC D. player
(separately purchased)
Reproductor D. JVC (adquirido
separadamente)
Lecteur D. JVC (vendu séparément)
JVC CD changer, SIRIUS Satellite radio, XM Satellite radio, Apple iPod®, or JVC D. player / Cambiador de CD de JVC, radio satelital SIRIUS, radio satelital XM,
iPod® de Apple o reproductor JVC D. / Changeur de CD JVC, radio satellite SIRIUS, radio satellite XM, iPod® Apple ou lecteur D. JVC
*
7
Signal cord supplied with your
Smart Digital Adapter
*
7
Cable de señal suministrado con el
adaptador Smart Digital
*
7
Cordon de signal fourni avec votre
adaptateur numérique intelligent
*
8
Audio signal cord supplied with your
Smart Digital Adapter
*
8
Cable de señal de audio suministrado
con el adaptador Smart Digital
*
8
Cordon audio fourni avec votre
adaptateur numérique intelligent
or
o
ou
XMDirect
TM
Universal Tuner Box
Sintonizador universal XMDirect
Tuner universel XMDirect
TM
Vous pouvez connecter ces appareils en série comme montrée sur
l’illustration.
Pour écouter la radio satellite SIRIUS, connectez un processeur DLP JVC
—Processeur de signaux satellite-terre (vendu séparément) à cet appareil.
Le iPod*
5
ou le lecteur D. peut être connecté en utilisant un
adaptateur d’interface (non fourni)—KS-PD100 (pour iPod) ou
KS-PD500 (pour le lecteur D.).
You can connect these components in series as illustrated below.
For listening to the SIRIUS Satellite radio, connect a JVC DLP
—Down Link Processor (separately purchased) to this unit.
The iPod*
5
or D. player can be connected using an interface
adapter (not supplied)—KS-PD100 (for iPod) or KS-PD500 (for
D. player).
Estos componentes se pueden conectar en serie, tal como se muestra
en la ilustración de abajo.
Para escuchar la radio satelital SIRIUS, conecte un DLP (Down Link
Processor) de JVC (adquirido por separado) al receptor.
Puede conectar el iPod*
5
o el reproductor D. usando un adaptador
de interfaz (no suministrado)—KS-PD100 (para iPod) o KS-PD500
(para el reproductor D.).
Antenna (supplied with XMDirect
TM
Universal Tuner Box)
Antena (suministrada con el Sintonizador universal XMDirect
™)
Antenne (fournie avec le tuner universel XMDirect
TM
)
XMDirect
TM
Universal Tuner Box
Sintonizador universal XMDirect
Tuner universel XMDirect
TM
Instal3-4_KD-AR470[J]f.indd 4Instal3-4_KD-AR470[J]f.indd 4 10/8/05 12:25:50 PM10/8/05 12:25:50 PM

Table of Contents

Related product manuals