EasyManua.ls Logo

JVC KD-G321 - Page 53

JVC KD-G321
97 pages
Print Icon
To Next Page IconTo Next Page
To Next Page IconTo Next Page
To Previous Page IconTo Previous Page
To Previous Page IconTo Previous Page
Loading...
2-24
Parts are safety assurance parts.
When replacing those parts make
sure to use the specified one.
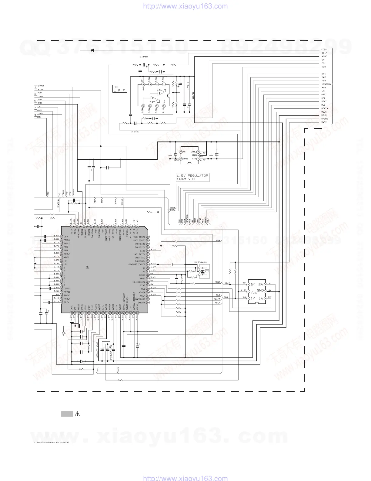
R535
X521
ARF
IC521
D501
R538
C534
R539
R566
R529
R528
R527
R526
R525
C521
R530
R586
R588
C544
C543
R590
C546
R558
C542
C541
C540
C539
R584
R531
R532
R589R583
C532
R587
R585
C587
C531
C525
C526
C524
R540
C588
C586
C585
R533
R534
R524
IC981
R521
R522
R537
C523
IC523
CN502
R561
R591
C545
C538
C547
C548
C549
IC581
R559
R593
R594
R592
C584
C583
C551
C552
C590
R523
C591
C592
C522
C981
C536
C535
C983
C984
C982
R562
10K
QAX0714-001Z
MN6627945EE
1A3G-T1
0
0.0033
0
10
2.2k
2.2k
2.2k
1K
1K
0.1
4.7k
10K
30K
0.082
1000p
1.5K
220/6.3
82k
0.1
0.015
680p
0.1
15k
4.7k
4.7k
1.5K
15k
0.33
30K
10K
100P
0.33
0.022
0.022
560P
30K
100P
QTE1H54-225Z
QTE1H54-225Z
27k
68k
2.2K
NJU7772F15-X
1M
220
1.5M
100p
SN74LVC2G07V-X
QGZ2512M1-10
1k
10k
0.1
47/6.3
47/6.3
47/6.3
0.1
NJM4565E-X
820
100k
100k
10k
820p
820p
0.1
47/6.3
QTE0J57-476Z
4.7k
QTE1A57-107Z
0.1
0.22
100/6.3
47/6.3
0.1
100/6.3
0.1
0.1
1k
TO SHEET 1
SHEET 2
w
w
w
.
x
i
a
o
y
u
1
6
3
.
c
o
m
Q
Q
3
7
6
3
1
5
1
5
0
9
9
2
8
9
4
2
9
8
T
E
L
1
3
9
4
2
2
9
6
5
1
3
9
9
2
8
9
4
2
9
8
0
5
1
5
1
3
6
7
3
Q
Q
TEL 13942296513 QQ 376315150 892498299
TEL 13942296513 QQ 376315150 892498299
http://www.xiaoyu163.com
http://www.xiaoyu163.com

Other manuals for JVC KD-G321

Related product manuals