EasyManua.ls Logo

JVC KD-G331E - Page 20

JVC KD-G331E
57 pages
Print Icon
To Next Page IconTo Next Page
To Next Page IconTo Next Page
To Previous Page IconTo Previous Page
To Previous Page IconTo Previous Page
Loading...
2-4
Parts are safety assurance parts.
When replacing those parts make
sure to use the specified one.
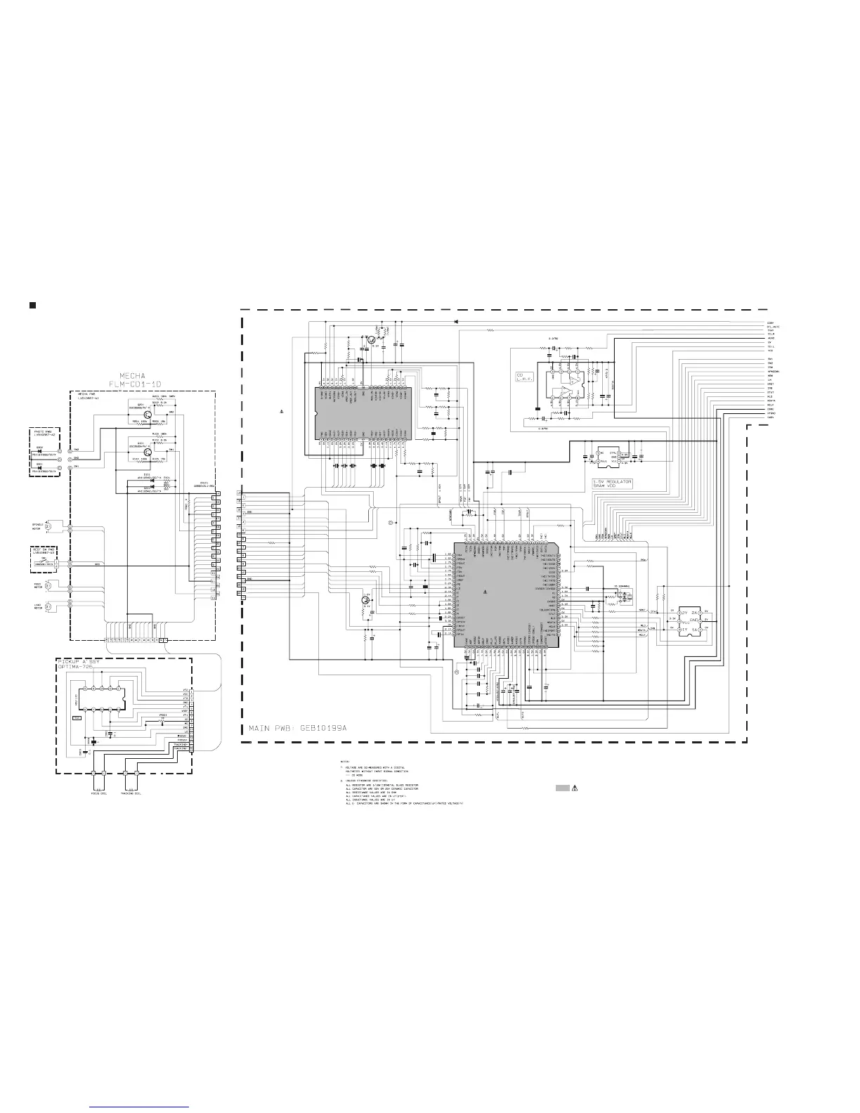
CD servo control section
(for KD-G331,KD-G332,KD-G333,KD-G337)
R535
X521
ARF
IC521
D501
C534
IC501
R566
R529
R528
R527
R526
R525
C521
R530
R586
R588
C529
C544
C543
R590
C546
R558
C542
C541
C540
C539
R584
R531
R532
R589R583
C532
R587
R585 C587
C531
C525
C526
C528
C524
R540
C588
C586
C585
VREF
R533
R565
C530
R543
R544
R534
R545
R548
CN501
R505
Q501
R506
R507
R508
R524
R509
R510
R511
R513
R515
R517
C518
IC981
R521
R522
R537
C523
IC523
R549
R536
C511
R561
R591
C545
C538
C547
C548
C549
IC581
R559
R593R594
R592
C584
C583
C527
R541
R542
C551
C552
C590
R523
C591
C592
C522
C533
C537
R554
Q521
C510
C509
R520
R500
C507
C508
R519
C502
R504
R502
R503
R512
C513
R514
C515
R516
C981
C517
R518
C503
C504
R501
R547
C501
R546
C505
C512
C536
C535
R556
C983
C984
C982
R562
10K
QAX0714-001Z
8.2k
MN6627945EE
1A3G-T1
0.0033
LA6565-X
10
2.2k
2.2k
2.2k
1K
1K
0.1
4.7k
10K
30K
0.01
0.082
1000p
1.5K
220/6.3
82k
0.1
0.015
680p
0.1
15k
4.7k
4.7k
1.5K
15k
0.33
30K
10K
100P
0.33
0.022
0.022
180P
560P
30K
100P
QTE1H55-225Z
QTE1H55-225Z
27k
150
0.01
1K
1K
68k
3.3K
3.3K
QGB2044M1-26
8.2k
2SA1705/ST/-T
39k
20k
6.8k
2.2K
68k
27k
15k
10k
15k
15k
68p
NJU7772F15-X
1M
220
1.5M
100p
74LVC2G07GV-X
5.6k
2200p
1k
10k
0.1
47/6.3
47/6.3
47/6.3
0.1
NJM4565E-X
820
100k100k
10k
820p
820p
3300p
39K
4.7k
0.1
47/6.3
QTE0J57-476Z
4.7k
QTE1A57-107Z
0.1
0.22
47/6.3
47/6.3
4.7
2SB709A/QR/-X
0.047
0.047
22
22
0.047
0.047
20k
0.1
8.2k
8.2k5.1k
5.6k
6800p
5.6k
0.0012
1k
100/6.3
1800p
5.6k
220/10
0.1
8.2k
8.2k
220/6.3
8.2k
0.1
0.1
47/6.3
0.1
47K
100/6.3
0.1
0.1
1k
GND
FEED-
VF2
FEED+
VCC
VT2
SW2
VT1
SW1
VF1
REST
VR
SP-
LD
SP+
FOCUS-
VREF
FOCUS+
MD
TRK+
TRK-
SW5V
FEED-
LOAD-
LOAD+
FEED-
FEED+
REST
SP+
SP-
RFVDD
GND
VF2
FEED+
VT2
VT1
VF1
VR
SP-
LD
SP+
FOCUS-
FOCUS+
TRK+
TRK-
SW5V
VREF
OUTR
LOAD-
LOAD+
OUTL
LOAD-
LOAD+
VREF
MD
VF2
VT2
VCC
VT1
VREF
VF1
VR
MD
LD
FOCUS-
FOCUS+
TRK+
TRK-
SW2
SW1
PSW
FWD
REV
SP+
SP-
FEED+
FEED-
LOAD+
TRK-
LOAD-
TRK+
FOCUS+
FOCUS-

Related product manuals