EasyManua.ls Logo

JVC KD-G646 - Control Panel and Remote Operation; Control Panel Layout and Button Functions

JVC KD-G646
4 pages
Print Icon
To Previous Page IconTo Previous Page
To Previous Page IconTo Previous Page
Loading...
4
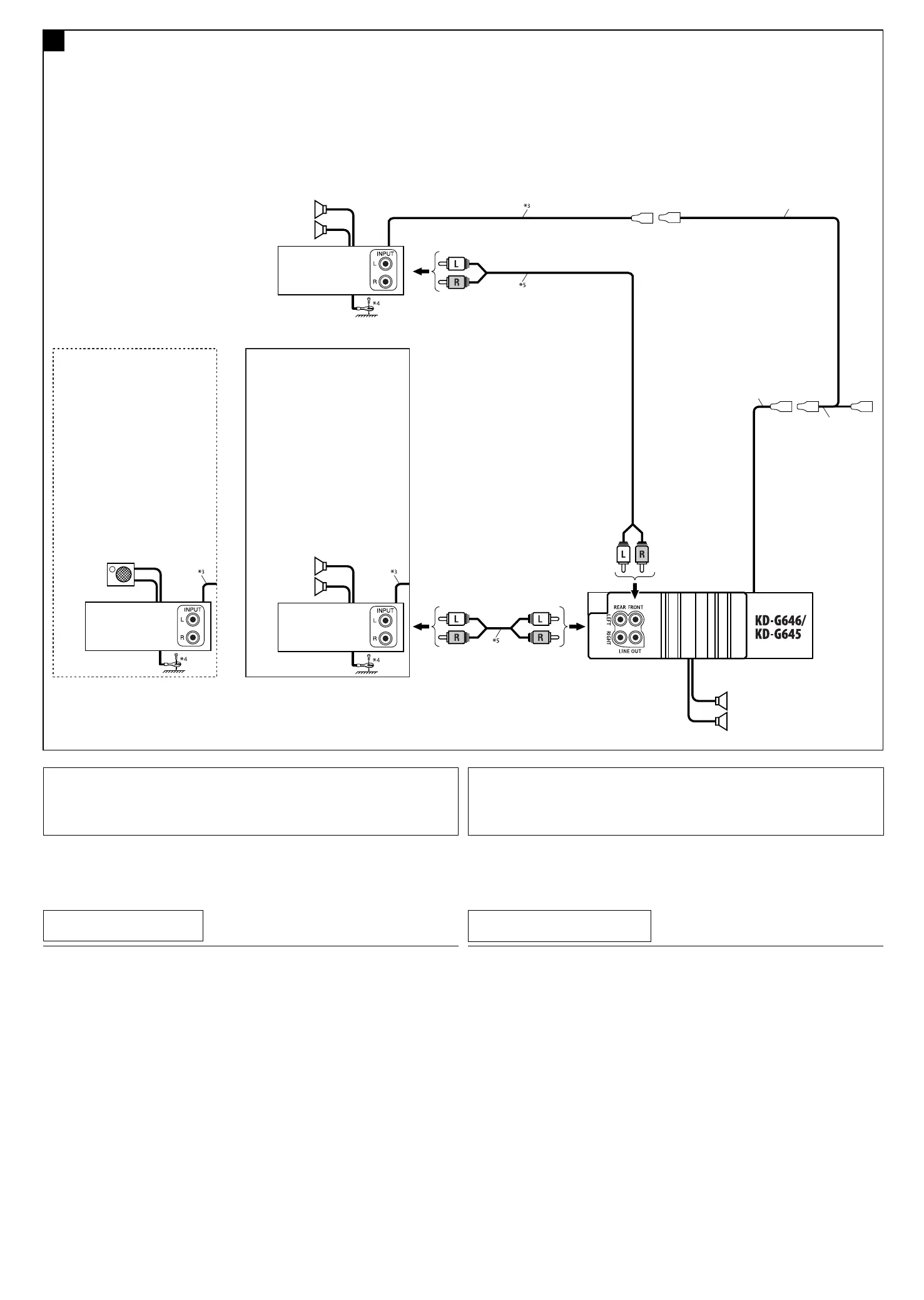
Connecting the external amplifiers and/or subwoofer
/
Penyambungan penguat-penguat eksternal dan/atau subwoofer
You can connect amplifiers to upgrade your car stereo system.
Connect the remote lead (blue with white stripe) to the remote lead of the other equipment so that it
can be controlled through this unit.
Disconnect the speakers from this unit, connect them to the amplifier. Leave the speaker
leads of this unit unused.
*
3
Remote lead
*
4
Firmly attach the ground wire to the metallic body or to the chassis of the car—to the place uncoated with
paint (if coated with paint, remove the paint before attaching the wire). Failure to do so may cause damage to
the unit.
*
5
Signal cord (not supplied for this unit)
Anda dapat menyambungkan penguat-penguat untuk meningkatkan sistem stereo mobil anda.
Sambungkan ujung jauh (biru dengan strip putih) ke ujung jauh dari peralatan lain sehingga dapat
dikontrol melalui unit ini.
Putuskan sambungan speaker-speaker dari alat penerima ini, sambungkan ini ke penguat.
Biarkan ujung speaker dari unit ini tidak digunakan.
*
3
Ujung jauh
*
4
Pasangkan dengan kuat kabel tanah ke bodi besi atau ke casis dari mobil—pada tempat yang tidak dilapisi cat
(jika dilapisi cat, hilangkan cat sebelum memasang kabel). Kegagalan melakukan ini mungkin menyebabkan
kerusakan pada unit tersebut.
*
5
Kabel sinyal (tidak disediakan untuk unit ini)
B
Rear speakers
Speaker-speaker
belakang
Remote lead (blue with white stripe)
Ujung jauh (biru dengan strip putih)
To the remote lead of other
equipment or automatic
antenna if any
Ke ujung jauh dari peralatan
lain atau antena otomatis jika
ada
Y-connector (not supplied for this unit)
Konektor Y (tidak disediakan untuk unit ini)
Front speakers
Speaker-speaker depan
JVC Amplifier
Penguat JVC
TROUBLESHOOTING
The fuse blows.
* Are the red and black leads connected correctly?
Power cannot be turned on.
* Is the yellow lead connected?
No sound from the speakers.
* Is the speaker output lead short-circuited?
Sound is distorted.
* Is the speaker output lead grounded?
* Are the “–” terminals of L and R speakers grounded in common?
Noise interfere with sounds.
* Is the rear ground terminal connected to the car’s chassis using shorter and thicker cords?
This unit becomes hot.
* Is the speaker output lead grounded?
* Are the “–” terminals of L and R speakers grounded in common?
This unit does not work at all.
* Have you reset your unit?
PEMECAHAN MASALAH
Sekring meledak.
* Apakah ujung-ujung merah dan hitam tersambung dengan benar?
Power tidak dapat dihidupkan.
* Apakah ujung kuning sudah tersambung?
Tidak ada suara dari speaker.
* Apakah ujung keluaran speaker terhubung pendek?
Suara terdistorsi.
* Apakah ujung keluaran speaker sudah ditanahkan?
* Apakah terminal-terminal “–” dari speaker-speaker L dan R sudah ditanahkan secara umum?
Berisik yang mengganggu suara-suara.
* Apakah terminal tanahan belakang tersambung ke casis mobil menggunakan kabel-kabel terpendek dan
tertebal?
Unit menjadi panas.
* Apakah ujung keluaran speaker sudah ditanahkan?
* Apakah terminal-terminal “–” dari speaker-speaker L dan R sudah ditanahkan secara umum?
Unit ini tidak bekerja secara keseluruhan.
* Apakah anda sudah reset (memasang kembali) unit anda?
Set “L/O MODE” to “SUB.W” (See page
13 of the INSTRUCTIONS.)
Setel “L/O MODE” ke “SUB.W” (Lihat
halaman 13 dari BUKU PETUNJUK.)
You can also connect a subwoofer to
the REAR LINE OUT terminals.
Anda juga dapat menghubungkan
subwoofer ke terminal REAR LINE
OUT.
Set “L/O MODE” to “REAR” (See page
13 of the INSTRUCTIONS.)
Setel “L/O MODE” ke “REAR” (Lihat
halaman 13 dari BUKU PETUNJUK.)
You can connect a power amplifier for
rear speakers.
Anda dapat menghubungkan penguat
daya untuk pengeras suara bagian
belakang.
or
atau
JVC Amplifier
Penguat JVC
Subwoofer
Subwoofer
JVC Amplifier
Penguat JVC
Front speakers
Speaker-speaker depan
Install3-4_KD-G646_009A_f.indd 4Install3-4_KD-G646_009A_f.indd 4 10/30/07 8:47:48 AM10/30/07 8:47:48 AM

Other manuals for JVC KD-G646

Related product manuals