EasyManua.ls Logo

JVC KD-R306

JVC KD-R306
86 pages
To Next Page IconTo Next Page
To Next Page IconTo Next Page
To Previous Page IconTo Previous Page
To Previous Page IconTo Previous Page
Loading...
4
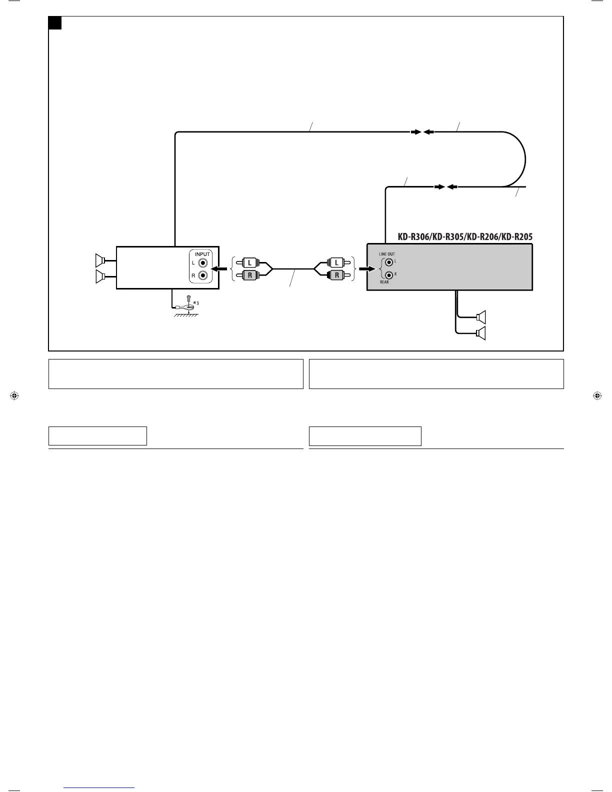
Connecting the external amplifier / 連接至外部功率放大器
You can connect an amplifier to upgrade your car stereo system.
Connect the remote lead (blue with white stripe) to the remote lead of the other equipment so that it
can be controlled through this unit.
Disconnect the speakers from this unit, connect them to the amplifier. Leave the speaker
leads of this unit unused.
*
3
Firmly attach the ground wire to the metallic body or to the chassis of the car—to the place uncoated with
paint (if coated with paint, remove the paint before attaching the wire). Failure to do so may cause damage to
the unit.
您可以連接功率放大器以提昇尊車的音響系統。
將遙控導線(藍色帶有白色條紋)和其他裝置上的遙控導線連接起來,以便可以經由本機進行
遙控。
將揚聲器和本機拔開,再接上功率放大器。將本機的揚聲器接線放置不用。
B
Rear speakers
後置揚聲器
Remote lead
遙控導線
Remote lead (blue with white stripe)
遙控導線(藍色帶有白色條紋)
To the remote lead of other equipment or automatic antenna if any
連接至其他裝置上的遙控導線或自動天線(若有裝設)
Y-connector (not supplied for this unit)
Y-型連接導線(不隨本機提供)
Front speakers
前置揚聲器
JVC Amplifier
JVC 功率放大器
TROUBLESHOOTING
The fuse blows.
* Are the red and black leads connected correctly?
Power cannot be turned on.
* Is the yellow lead connected?
No sound from the speakers.
* Is the speaker output lead short-circuited?
• Sound is distorted.
* Is the speaker output lead grounded?
* Are the “–” terminals of L and R speakers grounded in common?
Noise interfere with sounds.
* Is the rear ground terminal connected to the car’s chassis using shorter and thicker cords?
This unit becomes hot.
* Is the speaker output lead grounded?
* Are the “–” terminals of L and R speakers grounded in common?
This unit does not work at all.
* Have you reset your unit?
故障排除
保險絲燒斷。
* 檢查紅色導線接頭和黑色導線接頭是否接觸正確?
電源不能接通。
* 檢查黃色導線接頭是否接上?
揚聲器沒有聲音。
* 檢查揚聲器輸出導線接頭是否短路?
聲音失真。
* 檢查揚聲器輸出端子是否接地?
* 檢查揚聲器的左(L)、右(R)端子的負極“”是否共同接地?
噪音干擾音響。
* 後接地端子與車身是否使用較短和較厚的電線連接?
本機發熱。
* 檢查揚聲器輸出端子是否接地?
* 檢查揚聲器的左(L)、右(R)端子的負極“”是否共同接地?
本機完全不能操作。
* 您是否已經重置您的機組?
Signal cord (not supplied for this unit)
信號導線(不隨本機提供)
*
3
將地線與金屬車體或者汽車底盤緊密連接,連接處應該沒有被油漆覆蓋(如果已塗上油漆,在連接電
線前,將油漆刮去)。如果不這樣做,可能會損壞本機。
Install2_KD-R306[U]_CT_2.indd 4Install2_KD-R306[U]_CT_2.indd 4 08.8.20 4:47:26 PM08.8.20 4:47:26 PM

Table of Contents

Other manuals for JVC KD-R306

Related product manuals