EasyManua.ls Logo

JVC KD-S890 - Technical Specifications; Audio Amplifier Section Specifications; Tuner Section Specifications; CD Player Section Specifications

JVC KD-S890
44 pages
To Next Page IconTo Next Page
To Next Page IconTo Next Page
To Previous Page IconTo Previous Page
To Previous Page IconTo Previous Page
Loading...
KD-S890
(No.49799)1-29
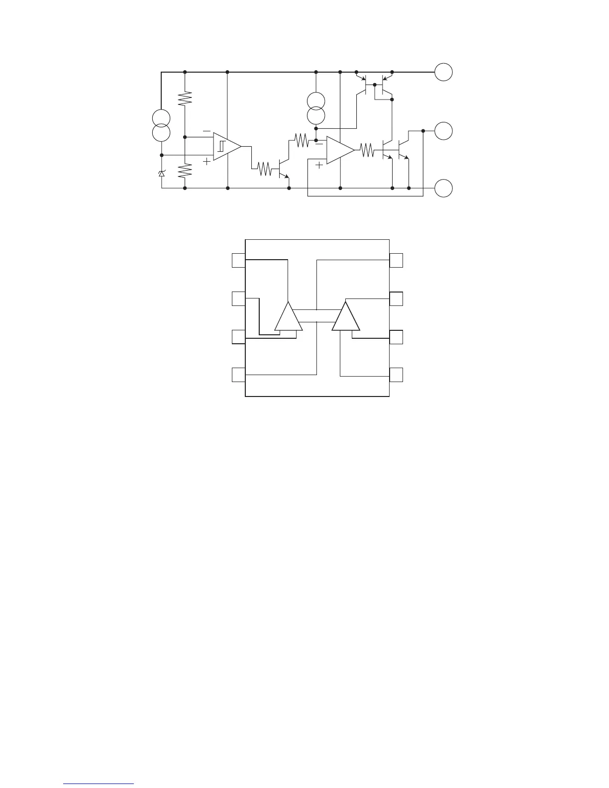
4.3 IC-PST600M/G/-W (IC702) : System reset
4.4 NJM4565M-WE (IC581) : CD L.P.F.
IN
Vout
GND
1
3
2
OP1
Co1
8
7
6
5
4
3
2
1
V
+
B OUTPU
T
B INPUT
B INPUT
A INPUT
A INPUT
A
OUTPUT
-
V
-
+
+
-

Other manuals for JVC KD-S890

Related product manuals