EasyManua.ls Logo

JVC KD-S890 - Page 30

JVC KD-S890
44 pages
To Next Page IconTo Next Page
To Next Page IconTo Next Page
To Previous Page IconTo Previous Page
To Previous Page IconTo Previous Page
Loading...
KD-S890
1-30 (No.49799)
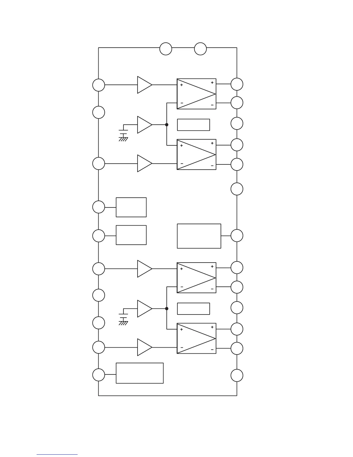
4.5 LA47505 (IC301) : Power amp.
Terminal layout
Muting &
On Time Control
Circuit
protective
circuit
Mute
circuit
Protective
circuit
Ripple
Filter
Stand by
Switch
11
16
14
13
25
15
10
4
1
12
22
17
19
18
21
23
24
2
3
5
8
7
9
206

Other manuals for JVC KD-S890

Related product manuals