EasyManua.ls Logo

JVC MX-KA3 - Setting the Sleep Timer

JVC MX-KA3
34 pages
Print Icon
To Next Page IconTo Next Page
To Next Page IconTo Next Page
To Previous Page IconTo Previous Page
To Previous Page IconTo Previous Page
Loading...
MX-KA3
1-24
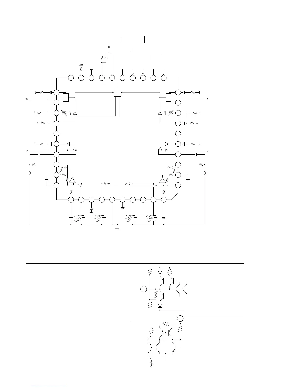
1. Block Diagram
Optical disc ICs HA12237F (IC401)
BA
BA
+
PB-NF2(R)
MUTE
MUTE
93/120
(High/Norm)
93/120
(High/Norm)
EQ
EQ
ALC
31
NC
1098
NC
765432
EQOUT(R)
RECIN(R)
TAI(R)
PB-EQ(R)
ALC(R)
1
32
33
34
35
36
37
38NC
39
PB-NF1(L)
AIN(L)
RIP
40
20
19
18
17
16
15
14
13
12
11
ALC ON/ OFF
Return SW
Return SW
PBOUT(R)
+
PB-NF1(R)
+
+
AIN(R)
BIN(L)
GND
V
CC
ALC DET
GND
IREF
Test mode
(Open for normal use)
REC-
RETURN
BIN(R)
+
RECOUT(R)
PB-NF2(L)
NC
NC
EQOUT(L)
RECIN(L)
TAI(L)
PB-EQ(L)
ALC(L)
PBOUT(L)
RECOUT(L)
+
+
+
High/ Norm
A/
(REC Return ON/ OFF )
MUTE ON/ OFF
REC MUTE OFF/ ON
21222324252627282930
++
Pin Description, Equivalent Circuit (cont)
(V
CC
= 12V, Ta = 25˚C, No Signal, The value in the table shows typical value.)
Pin No. Pin Name Note Equivalent Circuit Description
33 RIP V = V
CC
/2
V
CC
GND
V
Ripple filter
29 PB-EQ(L)
2 PB-EQ(R)
NAB output

Other manuals for JVC MX-KA3

Related product manuals