EasyManua.ls Logo

JVC RX-8010RBK

JVC RX-8010RBK
141 pages
To Next Page IconTo Next Page
To Next Page IconTo Next Page
To Previous Page IconTo Previous Page
To Previous Page IconTo Previous Page
Loading...
ABCD E F G
1
2
3
4
5
2-9
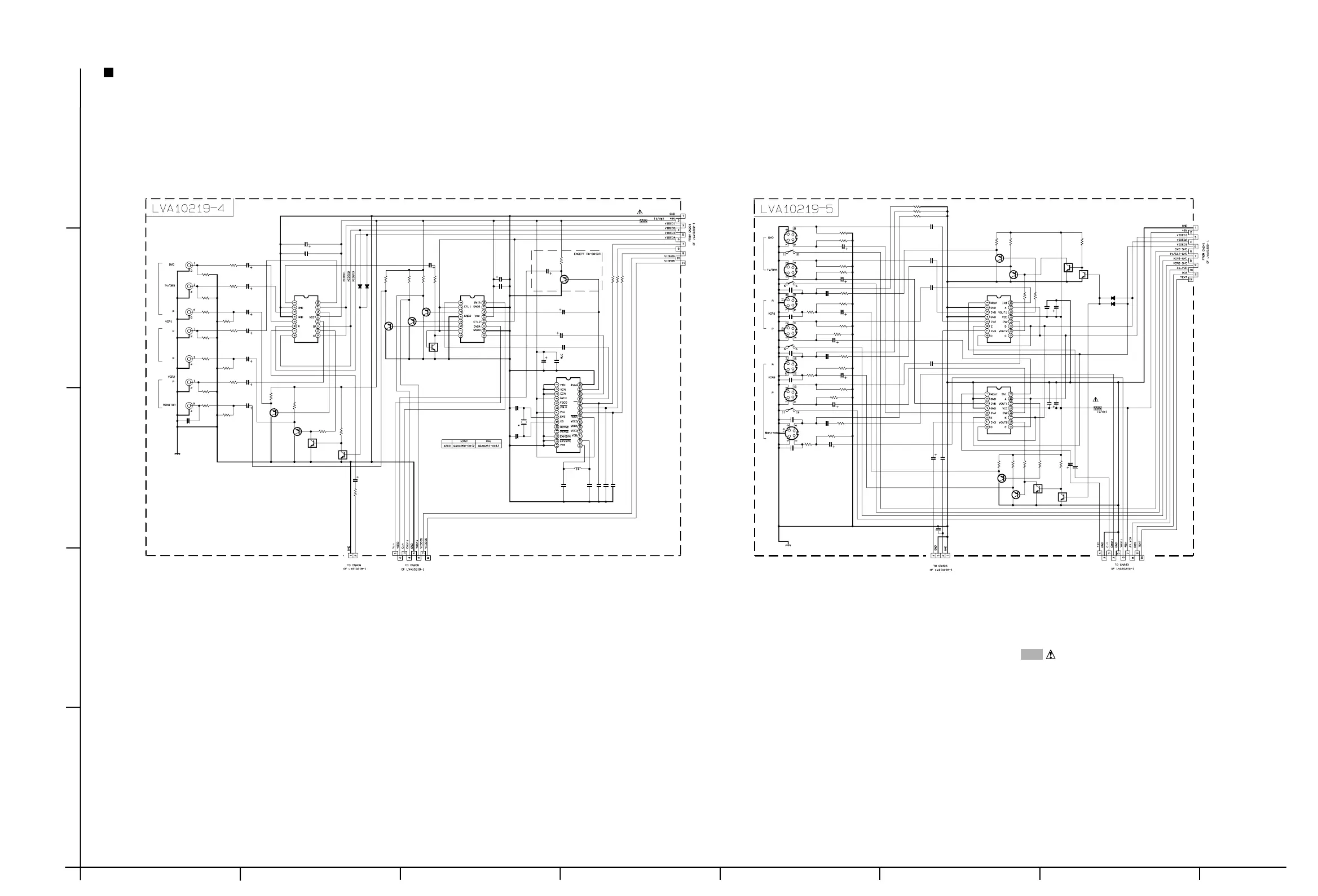
RX-8010RBK/ RX-8012RSL
SHEET 5/11
Parts are safety assurance parts.
When replacing those parts make
sure to use the specified one.
Video / S video signal input section
sheet 6/11 sheet 6/11
sheet 3/11
sheet 3/11
sheet 10/11 sheet 10/11
RX-8012RSL
#801~1300
CN200
C226
R271
CN242
CN204
R274
C270
C271
R266
R268
R267
R269
CN244
C253
C268
C269
R273
IC241
IC242
C246
C251
R240
R242
R244
R245
R247
R241
R243
R246
C242
C245
C247
C250
C252
C241
C244
C249
R254
R255
Q240
Q245
Q247
Q241
J242
J241
C275
C276
D241
C216
CN206
IC201
IC202
IC203
R200
C208
C209
Q200
R201
R209
R203
R211
R205
R207
R208
R202
R210
R204
R212
R206
Q201
J201
J202
J203
C201
C202
C203
C204
C205
C206
C207
Q202
Q203
R216
C211
C212
C213
C214
C215
C219
C220
L200
R213
R225
C273
R272
R275
R276
C274
C277
J243
C272
Q242
Q243
R253
D240
CN240
Q244
Q246
Q207
R231
C231
C260
R248
C256
C257
C259
C258
R281
R283
C261
R249
C255
C254
D200
D201
R222
R223
R224
R214
R215
R217
Q206
Q205
Q204
R219
R220
R221
C217
C218
X200
C221
C222
C223
C224
C225
C210
R218
R250
R251
R280
R282
R284
R285
Q208
R232
QGB2510K1-11
47P
3.3
QGB1214K1-10SQGB1214K1-08S
75
100P
100P
75
75
47k
47k
QGA2501F1-04
10p
47P
47P
47k
BA7626
BA7625
0.047
0.047
75
75
75
75
75
75
75
75
4.7/50
4.7/50
470/6.3
4.7/50
470/6.3
0.047
0.047
0.047
15k
15k
KTA1267/YG
KRC110M
KRC107M
KTA1267/YG
47P
47P
1SS133
0.047
QGA2501F1-02
BA7625
NJM2285V-W
MB90088
75
47/16
0.01
KTA1267/YG
75
47k
75
47k
75
330
330
75
330
75
330
75
KTA1267/YG
4.7/50
4.7/50
470/6.3
4.7/50
470/6.3
4.7/50
470/6.3
KRC110M
KRC107M
300
4.7/50
47/16
0.01
4.7/50
4.7/50
15p
10p
22u
47k
2.2
0.047
75
75
75
470/6.3
4.7/50
0.047
KTA1267/YG
KTA1267/YG
15k
1SS133
QGB2510K1-12
KRC110M
KRC107M
KTA1267/YG
2.2k
4.7/50
0.047
150
0.01
47/16
47/16
0.01
300
10k
4.7/50
150
4.7/50
0.047
1SS133
1SS133
560
560
560
150
150
10k
KTA1267/YG
KTA1267/YG
KTA1267/YG
100
150
150
470/10
1.547p
27p
0.001
270p
120p
4.7/50
330
150
150
300
10k
300
300
DTC123YSA
47
COUT
VOUT
OSDCS
OSDDATA
OSDCLK
YOUT
IN3A
IN1
IN3B
CTL3
OUT1
OUT2
OUT3
IN1B
IN2B
SCLK
SIN
CS
D
IN4
IN5
MOUT
A
VOUT1
IN2
VOUT2
IN3
EXD
XD
VIDEOY
VIDE0C
VIDEO

Table of Contents

Other manuals for JVC RX-8010RBK

Related product manuals