EasyManua.ls Logo

JVC RX-8012VSL

JVC RX-8012VSL
136 pages
To Next Page IconTo Next Page
To Next Page IconTo Next Page
To Previous Page IconTo Previous Page
To Previous Page IconTo Previous Page
Loading...
RX-8012VSL/RX-8010VBK
1-20
1
2
3
5
4
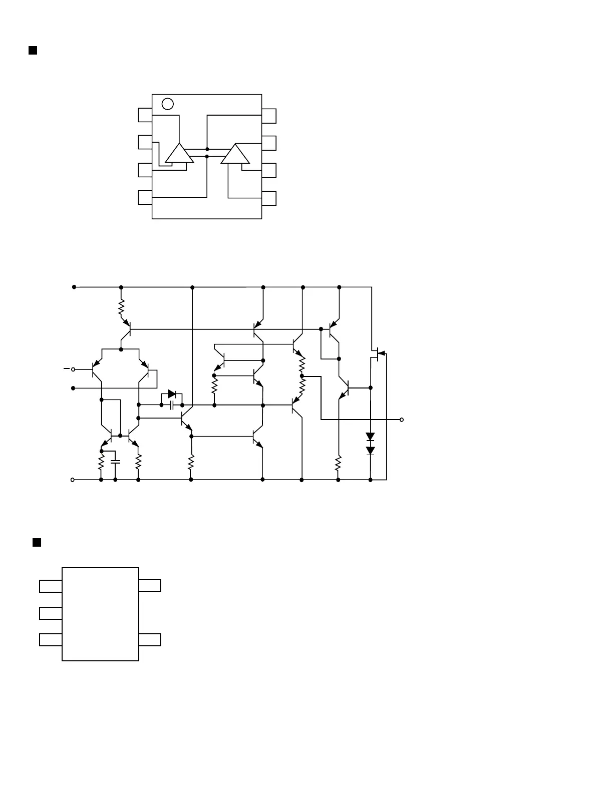
NJU7241F33(IC411) : Voltage regulator
PIN FUNCTION
1. GND
2. VIN
3. VOUT
4. +NC
5. STB
V
+
INPUT
+
V
-
OUTPUT
A OUT
A -IN
A +IN
V
-
1
2
3
4
A
B
(TOP VIEW)
8
7
6
5
V
+
B -IN
B +IN
B OUT
1.Terminal layout
2.Block diagram
NJM4580D (IC301) : LPF, Mic and h.phone amp.

Table of Contents

Related product manuals