EasyManua.ls Logo

JVC RX-8012VSL - Default Chapter; Block Diagrams

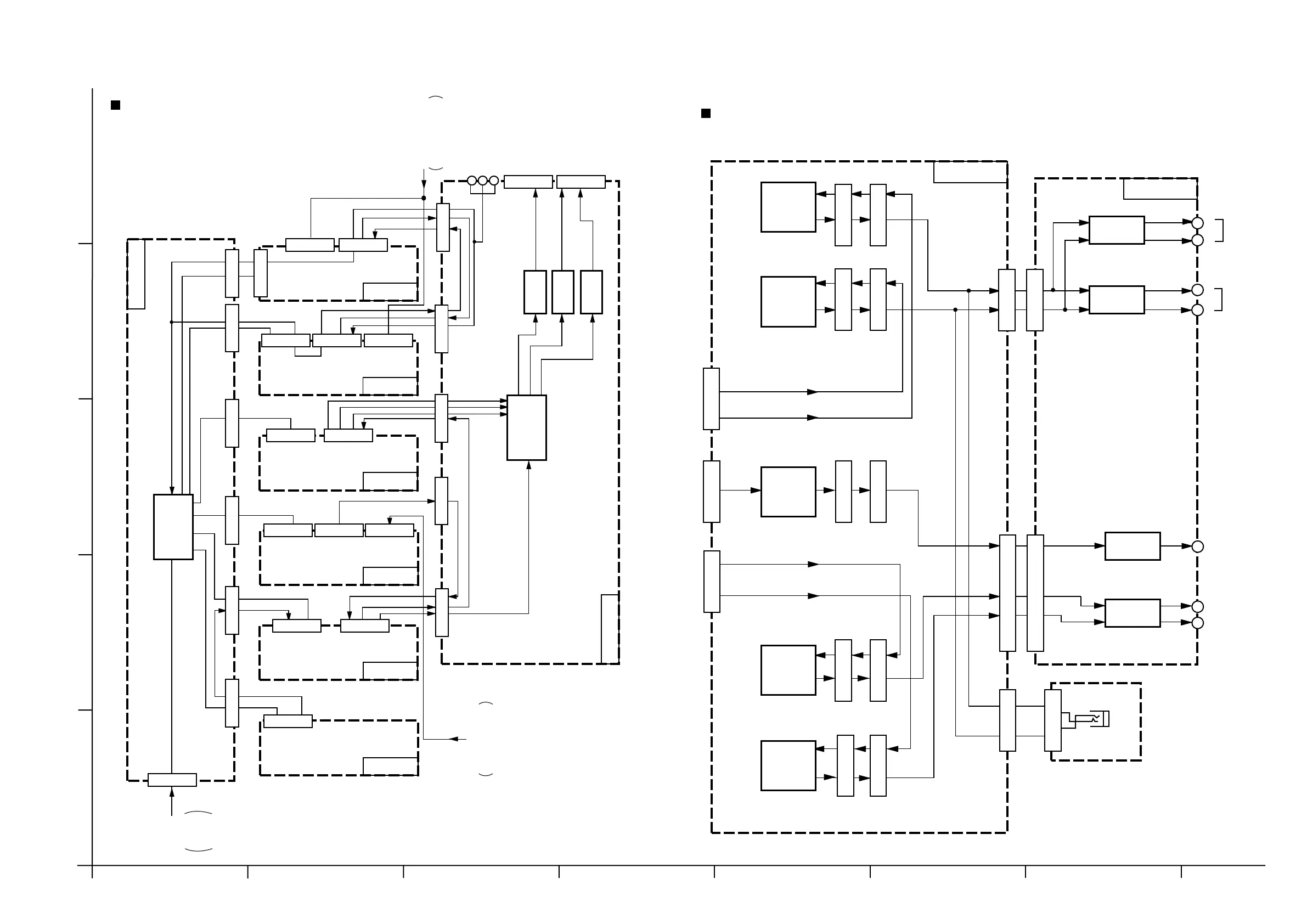
JVC RX-8012VSL
136 pages
Print Icon
To Next Page IconTo Next Page
To Next Page IconTo Next Page
To Previous Page IconTo Previous Page
To Previous Page IconTo Previous Page
Loading...
ABCD E F G
1
2
3
4
5
2-1
RX-8012VSL/RX-8010VBK
LVA10221-1
LVA10221-2
Main section
CN711
Q761
Q763
Q762
Q764
CN701
CN712
CN702
CN721
CN722
CN703
CN713
CN723
CN715
CN705
CN716
CN706
CN813
CN823
CN814CN881
FW881
Q1751
Q1752
Q1851
Q1853
Q1852
Q1854
RY831
RY832
RY851
RY852
L ch
R ch
CEN
RL ch
RR ch
SPK1
SPK2
CENTER
REAR L
REAR R
CN824
L
R
L
R
L
R
SL
SR
CEN
Signal I/O block section
LVA10219-1
LVA10222-1
CN101 CN301 CN303 CN601 CN201 CN241
CN361
CN381 CN501 CN205
CN243
CN111
CN311 CN351
CN313 CN371 CN416
CN587 CN581
CN200 CN204 CN206
CN240
CN244 CN242
CN731 CN732
CN400
CPU
IC901
IC380
SW
IC381
IC382
IC383
LVA10009
LVA10219-2
LVA10219-3
LVA10219-4
LVA10219-5
SL/SR
CEN
L/R
COMP LINK
TEXT LINK
MON
MON
SL/SR
CEN
L/R
SL/SR
CEN
L/R
AUDIO
V SIG
DVD REAR
CN406
SYSTEM CONTROL
& FL
CN406
SYSTEM CONTROL
& FL
CN410
SYSTEM
CONTROL
& FL
DATA
DATA
LVA10223
Block diagrams

Table of Contents

Related product manuals