EasyManua.ls Logo

JVC RX-D401S - DVD-Audio and Connection Notes; DVD-Audio Analog Connection; Important Connection Notes and Limitations

JVC RX-D401S
52 pages
Print Icon
To Next Page IconTo Next Page
To Next Page IconTo Next Page
To Previous Page IconTo Previous Page
To Previous Page IconTo Previous Page
Loading...
11
Å
Ï
Ó
ı
Ç
Î
Ì
Ô
DVR
OUT(REC)
DVR/DVD
IN(PLAY)
DVR
OUT(REC)
DVR/DVD
IN(PLAY)
FRONT
COMPONENT VIDEO
MONITOR
OUT
DVR/DVD
IN
VCR(DBS)
IN
DVD
MULTI IN
CENTER
SUBWOOFER
SURR-L
SURR-R
È
Y
P
B
P
R
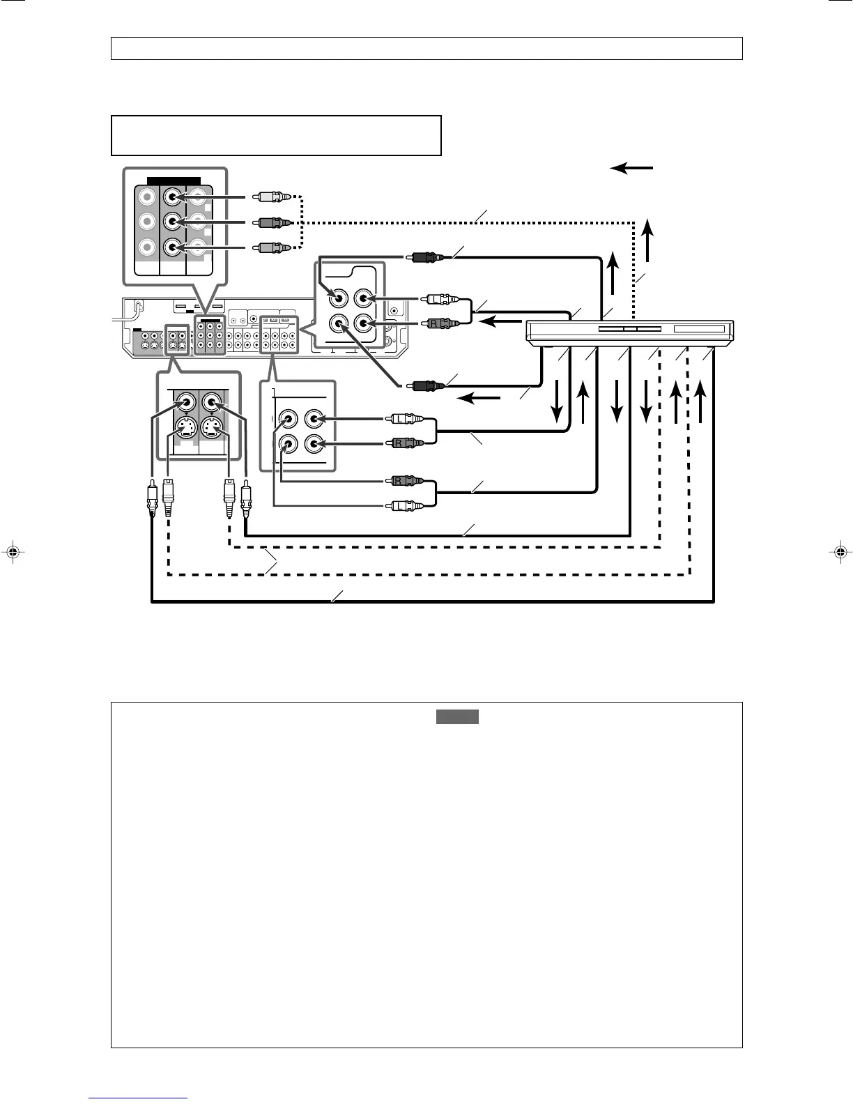
7 Connecting a DVD recorder or DVD player with its analog discrete output jacks (DVD MULTI IN):
If your DVD recorder or DVD player has analog 5.1 channel output jacks, use the connection below. When a DVD Audio disc is played
back, the original high-quality sounds can be reproduced by using this connection.
Å To left/right surround channel audio output
ı To center channel audio output
Ç To component video output
Connect Y, P
B, and PR correctly.
Î To subwoofer output
To left/right front channel audio output
Stereo audio cable
(not supplied)
Monaural audio cable
(not supplied)
Monaural audio cable
(not supplied)
Component video cable (not supplied)
Composite video cable
(not supplied)
S-video cable (not supplied)
Stereo audio cable
(not supplied)
DVD recorder or
DVD player
Composite video cable (not supplied)
White
Red
White
Red
Green
Blue
Red
Turn off all components before making connections.
When you connect other components, refer also to their manuals.
Ï Only for DVD recorder: To left/right front channel
audio input
Ì To composite video output
Ó To S-video output
È Only for DVD recorder: To S-video input
Ô Only for DVD recorder: To composite video input
When you enjoy sound recorded in DVD-Audio...
You can enjoy sound recorded in DVD-Audio both with analog
or digital methods.
With analog method:
connect your DVD recorder or DVD player to this receiver
according to the diagram above.
select “A MULTI” setting for “AUDIO INPUT.” (See pages 16
and 17.)
With digital method:
connect your DVD recorder or DVD player and TV to this
receiver with the HDMI cables. (See page 9.)
select “HDMI” setting for “AUDIO INPUT.” (See pages 16
and 17.)
: signal current
NOTES
When using the headphones, you can listen to the front
channel sounds (left and right) only. 3D HEADPHONE mode
(see page 35) is not available.
When selecting “A MULTI” setting for “AUDIO INPUT” or when
multi channel PCM signals (see page 34) are coming in with
selecting “HDMI” setting for “AUDIO INPUT,” the following items
are not available:
– DECODE MODE (see page 18)
– EX/ES/PLllx (see page 24)
– DUAL MONO (see page 24)
– SUBWOOFER OUT (see page 24)
– CROSSOVER (see page 25)
– LFE ATT (see page 25)
– Midnight Mode (see page 25)
– AUDIO DELAY (see page 26)
– DIGITAL EQ 63Hz/250Hz/1kHz/4kHz/16kHz (see page 28)
– BASS BOOST (see page 29)
– INPUT ATT (see page 29)
– Sound parameters for Surround/DSP modes (see pages 29
and 30)
– Surround/DSP modes (see pages 33 to 37)
When you enjoy sound recorded in DVD-Audio through the
HDMI connection, use a DVD recorder or DVD player
compatible with HDMI version 1.1.
Do not connect the AC power plug to the wall outlet until all connections are completed.
11-13RX-D401S[J]_f.p65 05.7.1, 7:57 PM11

Table of Contents

Related product manuals