EasyManua.ls Logo

JVC TH-S3 - Page 57

JVC TH-S3
65 pages
Print Icon
To Next Page IconTo Next Page
To Next Page IconTo Next Page
To Previous Page IconTo Previous Page
To Previous Page IconTo Previous Page
Loading...
2-6
SHEET 5
(SHEET 3) (SHEET 3) (SHEET 3)
(SHEET 4)
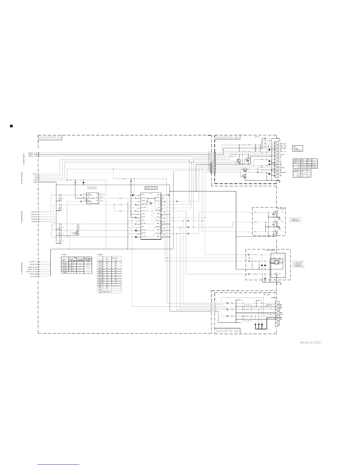
Video section
J3500
R3503
R3507
C3415
R3102
R3502
R3101
B352
R3100
C3001
R3505
C3501
C3502
C3500
R3500
R3504
R3509
J3300
R3508
R3501
J3400
R3202
R3203
R3302
R3301
R3300
R3417
R3414
R3413
R3412
R3200
C3111
C3110
C3109
C3205
C3201
C3202
Q3403
B351
IC300
C3409
R3506
R3201
R3204
Q3401
C3002
IC310
L3100
C3104
C3112
B3410
R3000
Q3400
R3401
R3510
C3401
C3101
C3103
C3105
C3106
C3107
R3022
Q3020
B3411
C3000
R3407
R3409
R3406
R3411
R3415
R3416
Q3402
C3410
C3408
C3407
C3406
R3400
J3200
C3102
C3400
C3108
R3404
R3405
R3006
R3007
C3503
C3504
C3505
R3004
CN351
CN350
C3003
CN341
CN340
C3100
R3403
R3402
R3420
R3303
R3304R3305
R3205
R3206
C3300
R3005R3013 R3009R3011
R3020
R3021
C3402C3405
C3301C3302
C3200
C3203
C3204
R3008R3010R3012
R3408R3410
QNZ0499-001
75
75
470/6.3
0
10K
0
0
1/10
10K
470/6.3
470/6.3
470/6.3
75
NI
NI
QNN0662-001
NI
NI
QNZ0625-001
75
75
75
75
75
75
75
75
75
75
470/6.3
470/6.3
470/6.3
470/6.3
470/6.3
0.01/16
KRC102M-T
MM1501XN-X
470/6.3
9.1k
2.2k
10k
KRC102M-T
47/25
MM1623XF-X
220
22/50
470/10
0
KRC102M-T
2K
NI
330P
1/10
1/10
1/10
1/10
1/10
10/16
150
150
39K
39K
100
10K
KRA102M-T
47P
47P
47P
47P
2K
QNN0557-002
47/25
330P
0.1/16
22K
22K
180P
180P
180P
QGF1205C1-06
QGF1205F1-06
0.01
QGF1205C1-13
QGF1205F1-13
0.1/16
12K
820
NI
NI
NINI
NI
NI
NI
330P330P
NINI
47P
47P
47P
NINI
SCART-LIN
VS1
DAC5OUT
BLANK-CTL
BLANK-CTL
DAC2OUT
DAC4OUT
VIDEO-MUTE1
VS3
VIDEO-SW
VIDEO-MUTE1
VIDEO-MUTE2
VIDEO-YCMIX
VIDEO-RGB
VIDEO-MUTE2
INT/PROG
VIDEO-RGB
VIDEO-YCMIX
SCART-RIN
DAC1OUT
DAC3OUT
INT/PROG
A5V
VIDEO-SW
VIDEO-RGB

Other manuals for JVC TH-S3

Related product manuals