EasyManua.ls Logo

kayse LS30 - Menu System Navigation

kayse LS30
32 pages
Print Icon
To Next Page IconTo Next Page
To Next Page IconTo Next Page
To Previous Page IconTo Previous Page
To Previous Page IconTo Previous Page
Loading...
LS30 CONTROLLER INSTALLATION AND OPERATING GUIDE
15
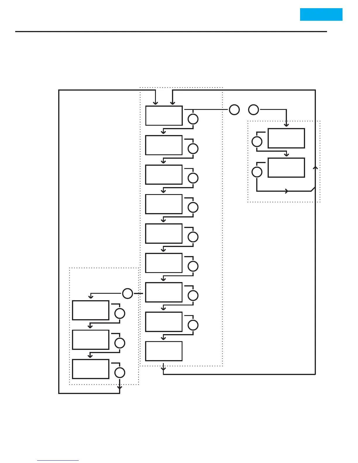
4.2 Menu System
There are 3 dierent menu levels for LS30 Controller program-
ming.
for First Level Menu, 'Set' buon should be pressed 2 seconds at main operang screen.
for Second Level Menu, while at 1st level menu at 'r3.of' parameter 'Set' buon should
be pressed 2 seconds.
for Third Level Menu, at menu operang screen 'Set' and 'Exit' buons should be
pressed together for 2 seconds.
r1.on
r.Lo
r.Hi
r1.oF
r2.oF
Lo
r2.on
r3.on
Hi
out
r3.oF
dot
Addr
xx
xx
xx
xx
xx
xx
xx
xx
xx
xx
xx
xx
xx
SET
>2 sec.
>2 sec.
Second Level Menu
First Level Menu
Third Level Menu
>2 sec.
SET
+
EXIT
SET
SET
SET
SET
SET
SET
SET
SET
SET
SET
SET
SET
SET
Main Op.
Screen