EasyManua.ls Logo

KeepRite K40-CU-IM-13 - KE-Line Three-Phase Horizontal Air Flow Diagrams

KeepRite K40-CU-IM-13
36 pages
Print Icon
To Next Page IconTo Next Page
To Next Page IconTo Next Page
To Previous Page IconTo Previous Page
To Previous Page IconTo Previous Page
Loading...
10
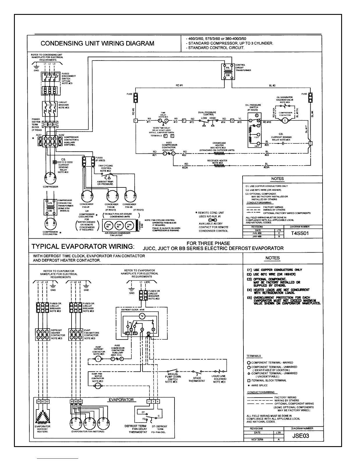
Electrical Wiring Diagram – Horizontal Air Flow Condensing Units (K-Line)

Related product manuals