EasyManua.ls Logo

Keithley 2601 - Installing the Test Script Builder Software; System Connections; Gpib

Keithley 2601
562 pages
Print Icon
To Next Page IconTo Next Page
To Next Page IconTo Next Page
To Previous Page IconTo Previous Page
To Previous Page IconTo Previous Page
Loading...
2600S-901-01 Rev. C / January 2008 Return to Section Topics 2-9
Series 2600 System SourceMeter® Instruments Reference Manual Section 2: TSP Programming
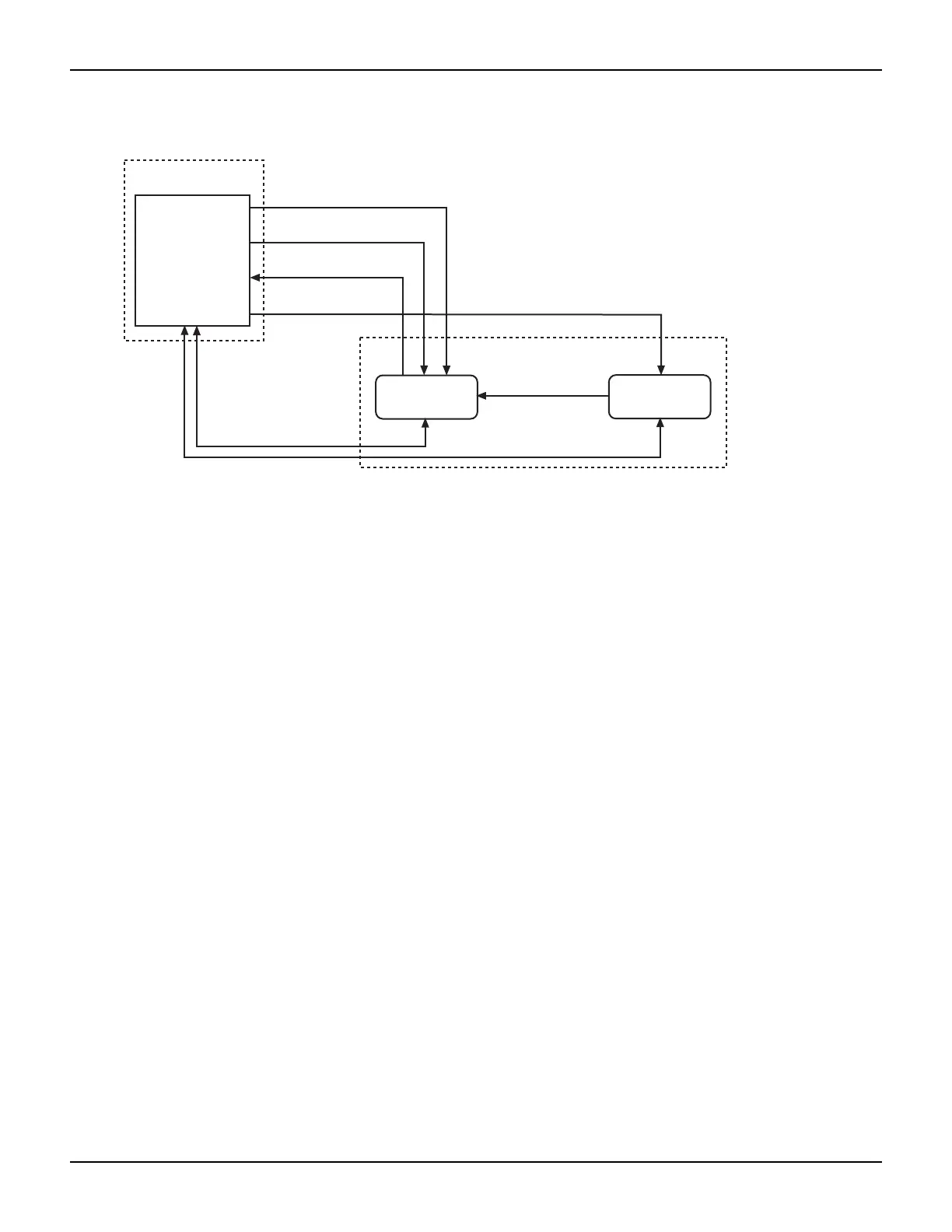
Figure 2-2
Run-Time
Environment
Non-Volatile
Memory
Loads
Scripts/Functions
On Power-Up
Create/Modify and Load Script
Save Any User Script
Returned Data
Run Any Script
Users Program
OR
Test Script
Builder
Script
Management
Programming
Options
KEITHLEY Series 2600
Host PC
Programming model for scripts
Installing the Test Script Builder software
To install the TSB software, close all programs, place the CD (Keithley Instruments part number:
KTS-850) into your CD-ROM drive and follow the on-screen instructions. If your web browser does
not start automatically and display a screen with software installation links, open the index.html file
found on the CD using your web browser.
System connections
Up to 16 Series 2600 instruments can be used in a test system. The host interface for the test
system can be the GPIB or the RS-232. For the GPIB, an IEEE-488 cable is used to connect the
PC to one of the Series 2600 instruments. For the RS-232, a straight-through RS-232 cable
terminated with DB-9 connectors is used to connect the PC to one of the Series 2600 instruments.
Keep in mind that the GPIB or RS-232 cable is only required to be connected to one of the Series
2600 instruments. Communication to the other Series 2600 instruments can be accomplished via
the TSP-Link (see
Section 9).
GPIB
GPIB connections
To connect the Series 2600 to the GPIB bus, use a cable equipped with standard IEEE-488
connectors, as shown in
Figure 2-3. The IEEE-488 connector is located on the rear panel of the
SourceMeter. When connecting the cable, make sure to tighten the captive screws.

Table of Contents

Other manuals for Keithley 2601

Related product manuals