EasyManua.ls Logo

Kelly KLS8080I/IPS - How to Use Identification Angle Operation for KLS-8080 IPS Controller

Kelly KLS8080I/IPS
36 pages
Print Icon
To Next Page IconTo Next Page
To Next Page IconTo Next Page
To Previous Page IconTo Previous Page
To Previous Page IconTo Previous Page
Loading...
Kelly KLS8080I/IPS Sinusoidal Brushless Motor Controller Users Manual V 1.10
27
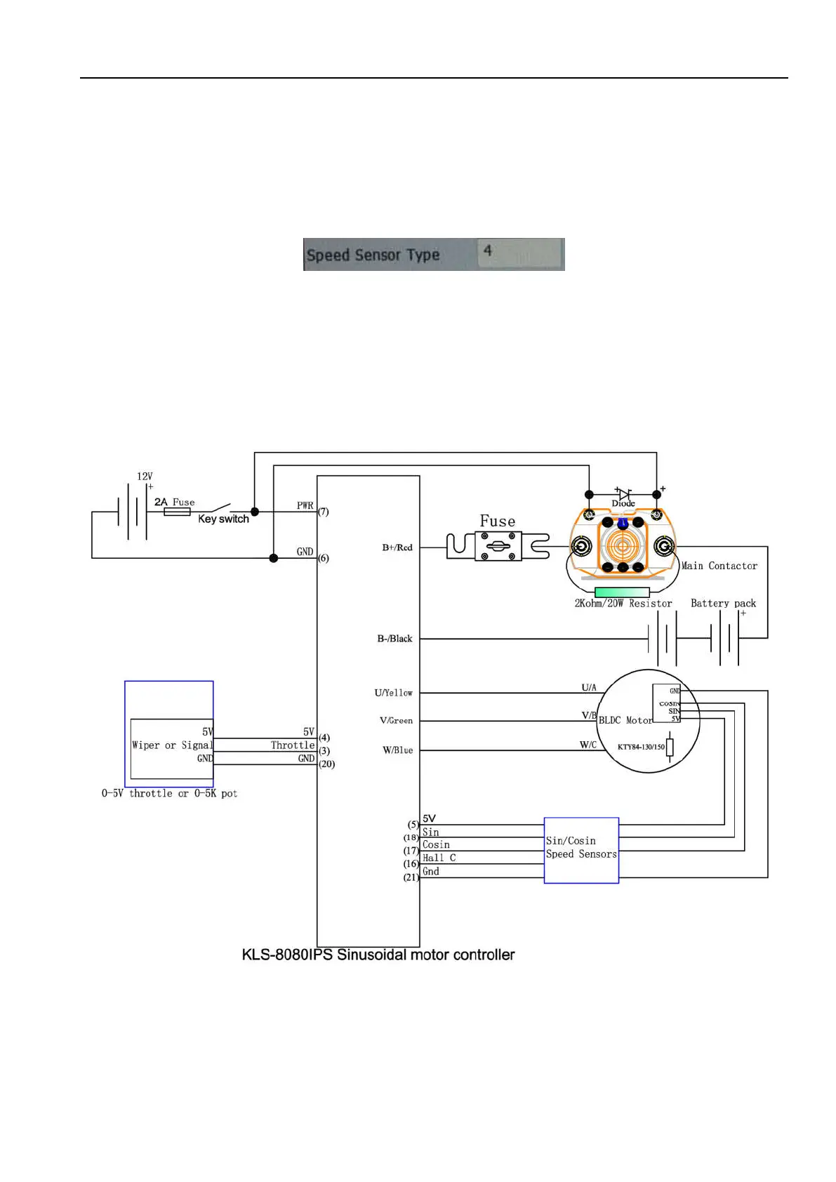
4.5 How to use Identification angle operation for KLS-8080IPS controller
We must do Identification angle operation before running motor for all KLS controllers.The
Identification angle operation can be done in PC program or Android App(Tablet or Cell Phone).
KLS-8080IPS controller is designed for BLDC or PMSM motor with Sin/Cosin sensors.By
default,the speed sensor type is set at 4 from factory setting for KLS-8080IPS controller.
1,Please hook up the controller for identification angle operation according to the wiring
diagram below.Please make sure there is no load on the motor shaft before starting the
programming.The KLS-8080IPS is designed by opto-isolated technology.We specify 8-30V for
power supply pin7 vs pin6 which must be isolated from main battery pack B+/B-.Usually
customers can use 12V car battery or 12V Isolated type DCDC converter for this purpose.
2,Please connect the controller to user program by using an USB to RS232 cable and SM-4A
DB9(RS232) Converter.

Related product manuals