EasyManua.ls Logo

Kenwood TR7400A - ADJUSTMENTS AND CALIBRATION; ADJUSTMENTS AND PARTS ALIGNMENT; Adjustment Point Locations by Unit

Kenwood TR7400A
46 pages
Print Icon
To Next Page IconTo Next Page
To Next Page IconTo Next Page
To Previous Page IconTo Previous Page
To Previous Page IconTo Previous Page
Loading...
b
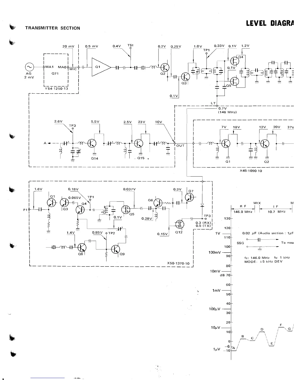
TRANSMITTER SECTION
B-
LEVEL
DIAGRP
Ii
0.3
(RX)
I
<
,
0.5 (TX)
.A
I
I
I
1
OOmV
I
0.02
pF
(Audio section
:
1pF
"---I+-
To
rnea
fc: 146.0
MHz
fs:
1
kHz
MODE:
r5
k~z
DEV
80
1
oopv
7

Related product manuals