EasyManua.ls Logo

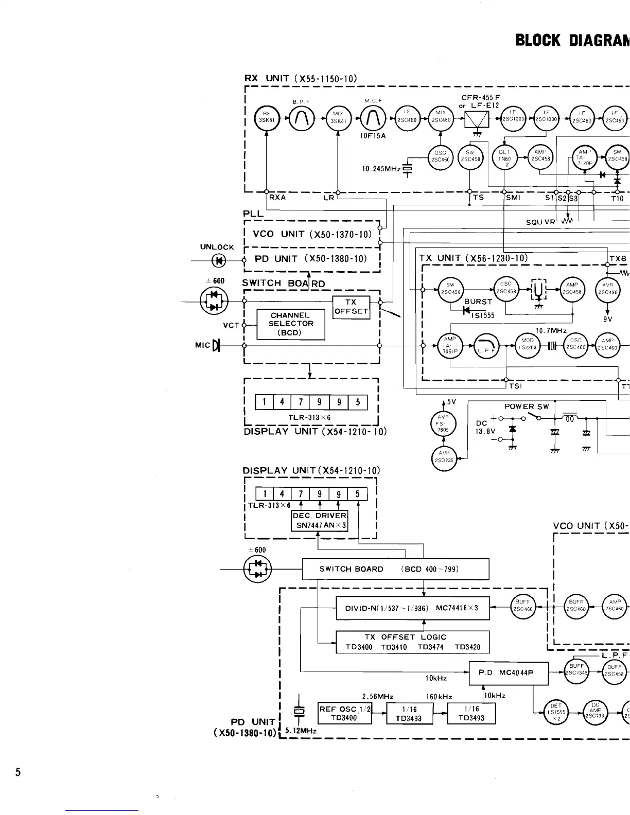
Kenwood TR7400A - BLOCK DIAGRAM; SYSTEM BLOCK DIAGRAM; Receiver (RX) Unit Block; Voltage Controlled Oscillator (VCO) Unit Block

Kenwood TR7400A
46 pages
Print Icon
To Next Page IconTo Next Page
To Next Page IconTo Next Page
To Previous Page IconTo Previous Page
To Previous Page IconTo Previous Page
Loading...
BLOCK
DIAGRA!
RX UNlT (X55-1150-10)
r-
-----------
-
---------------
--------
I
I
I
I
L
,,-,---,-----------,
+--<&--,
RXA LR
-
TS SMI
s1
S2 S3 TI0
PLL
r-----------b
sau
VRA
I
VCO
UNlT (X50-1370-10)
'
I
I
TX UNIT (~56-1230-10)
TXB
SELECTOR
I
ZSC458 2SC458
BURST
a
V
T-----~----
-1
-
-
- -
-
-
-
-.(b
I
I
I
T'
I
I
I114171919151
I
-
POWER SW
TLR-313x6
J
L--------,-
DISPLAY UNIT (X54-1210- 10)
13.8V
DISPLAY UNIT (X54-
121
0-
10)
r----------
1
I
I
DEC. DRIVER
I
SN7447AN X 3
-t
600
SWITCH BOARD
(BCD 400-799)
I I
VCO
UNlT (X50-
r------
-
-
-
-
-
-
-
-
-
-
- -
-
-
-
-
-
-
-
- -
-
I
~lvl~-N(1/537- 1/936)
pw
MC74416X3
zsc460
BUFF
AMP
I
2SC460 ZSC460
I
A
!
I
I
TX OFFSET LOGIC
P.D
MC4044P
l
OkHz
A
I
'
1
2.56MHz 160 kHz
I
,
REFOSC,l/2 1/16 1/16
1~15%
UNIT
T
I
TD3400
H
TD3493 TD3493
2~~733
(~50-1380-10)
22%
- -
-
-
-
-
-
-
-
-
-
- - - - - -
-
-
-
-
--
-
-

Related product manuals