EasyManua.ls Logo

Keyscan CA8500B/OCB-8 - Figure 60 - HID Iclass R90 Long Range Reader

Default Icon
142 pages
Print Icon
To Next Page IconTo Next Page
To Next Page IconTo Next Page
To Previous Page IconTo Previous Page
To Previous Page IconTo Previous Page
Loading...
Keyscan Inc. Technical Guide (PC109x - 07.15)
81
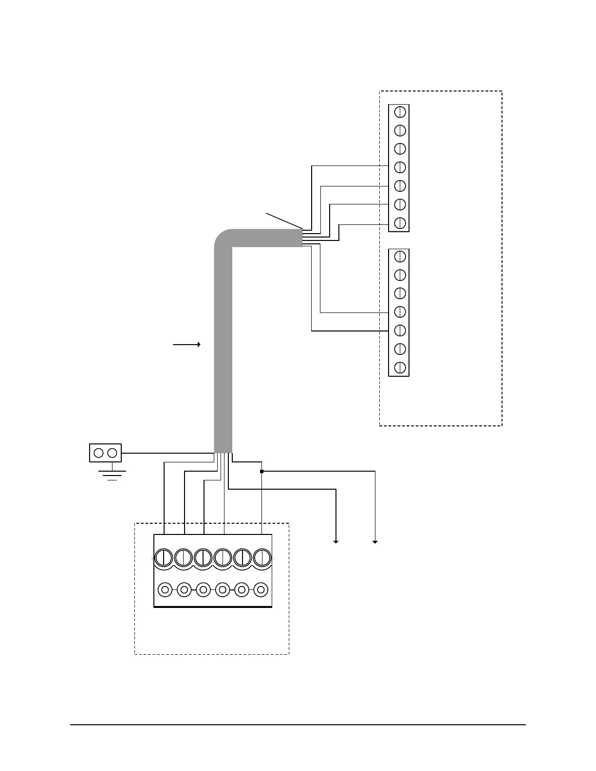
Figure 60 HID iClass KR90L Long Range Reader
Shield not connected.
Isolate with electrical tape.
to separate
12 VDC power
supply with
minimum
2 Amps per R90
3 pairs shielded
18 AWG
500 ft (152.4 m)
maximum
Shield
ACU Ground
Lug
White
Green
Red +
Black
Brown
Black -
Black
Green
White
Red
Brown
Terminal block on iClass SE
R90 reader
HID iClass KR90L
Current Draw @ 12VDC
In-rush current - 1300 mA
Normal standby - 110 mA
Peak - 300 mA
Reader terminal on control board
LED D1
WHT
D0
GRN
PWR
RED
GND
BLK
C1
(BEEP)
KI-00501E-06-15
Hold [P1-7]
P1
P2
Red [P1-6]
Drain [P1-5]
+VDC [P1-4]
GND [P1-3]
GRN [P1-2]
Beep [P1-1]
GPIO1 [P2-7]
GPIO2 [P2-6]
OC/TMPR [P2-5]
DATA1/CLK [P2-4]
DATA0/DATA [P2-3]
GPIO3 [P2-2]
GPIO4 [P2-1]
Blue
Blue*
* Blue pre-alert optional

Table of Contents

Related product manuals