EasyManua.ls Logo

Keysight N9030A - Page 201

Keysight N9030A
225 pages
Print Icon
To Next Page IconTo Next Page
To Next Page IconTo Next Page
To Previous Page IconTo Previous Page
To Previous Page IconTo Previous Page
Loading...
201
Concepts
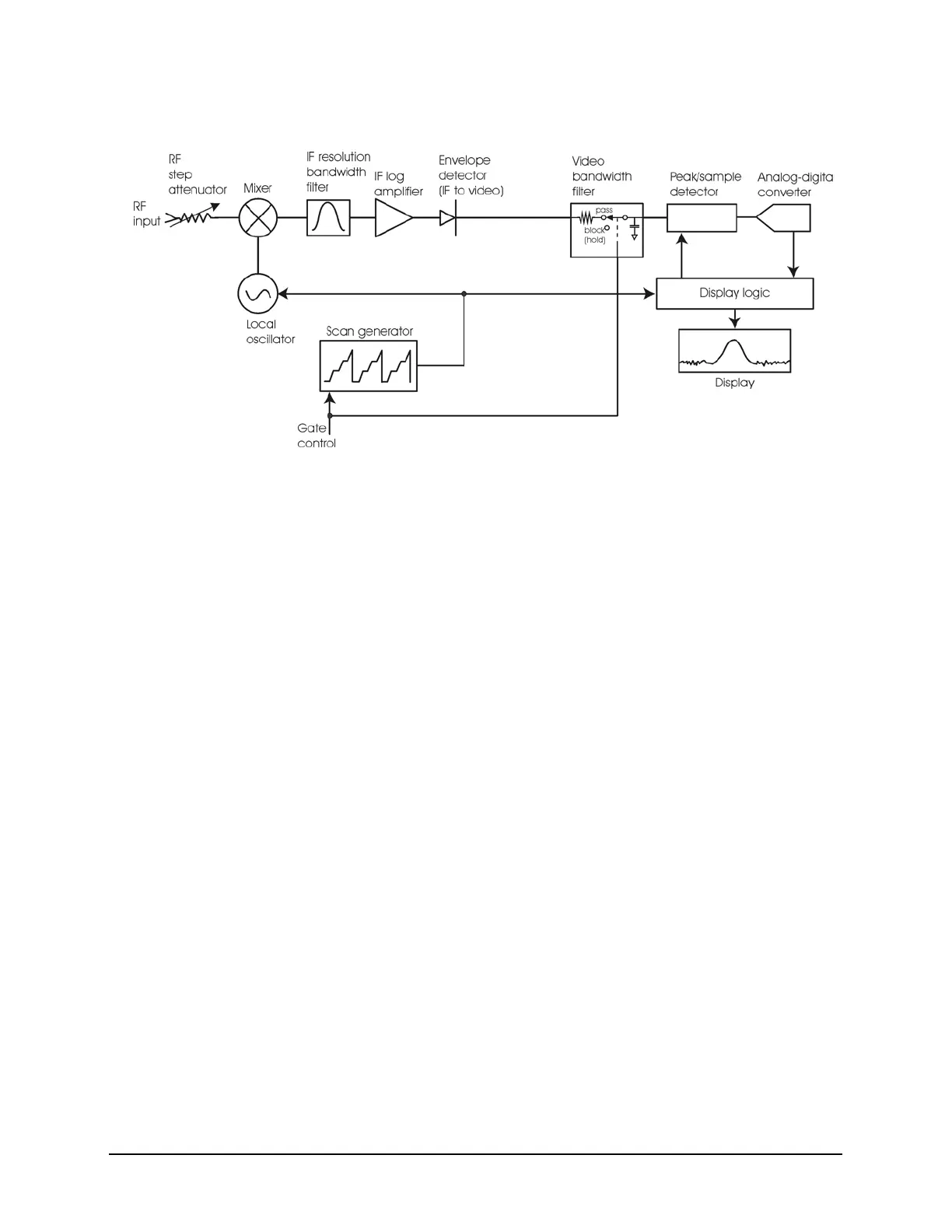
Time Gating Concepts
Figure 15-9 Gated LO Signal Analyzer Block Diagram
Gated FFT Concepts
Gated FFT (Fast-Fourier Transform) is an FFT measurement which begins when the
trigger conditions are satisfied.
The process of making a spectrum measurement with FFTs is inherently a “gated”
process, in that the spectrum is computed from a time record of short duration, much
like a gate signal in swept-gated analysis.
Using the analyzer in FFT mode, the duration of the time record to be gated is:
The duration of the time record is within a tolerance of approximately 3% for
resolution bandwidths up through 1 MHz. Unlike swept gated analysis, the duration
of the analysis in gated FFT is fixed by the RBW, not by the gate signal. Because
FFT analysis is faster than swept analysis (up to 7.99 MHz), the gated FFT
measurements can have better frequency resolution (a narrower RBW) than swept
analysis for a given duration of the signal to be analyzed.
FFT Time Record (to be gated)
1.83
RBW
------------
=

Table of Contents

Other manuals for Keysight N9030A

Related product manuals