EasyManua.ls Logo

Keystone KS - Page 25

Keystone KS
60 pages
Print Icon
To Next Page IconTo Next Page
To Next Page IconTo Next Page
To Previous Page IconTo Previous Page
To Previous Page IconTo Previous Page
Loading...
Keystone Boilers and Water Heaters
Page 25
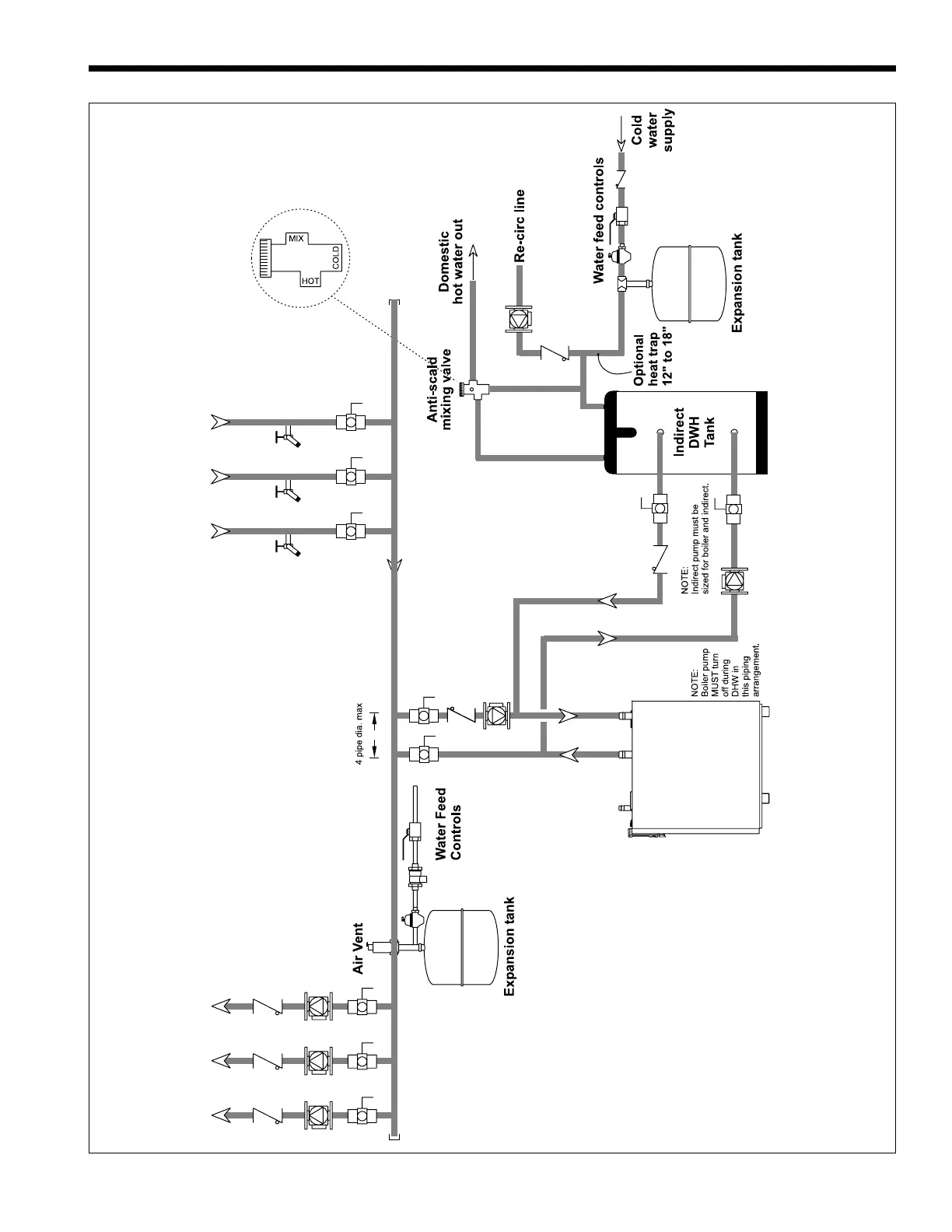
Figure 19. Hydronic Piping — Heating zones with indirect DWH tank piped with zone pumps (indirect directly off boiler).
Boiler pump must shut down during DHW.
KeystoneKeystone
KeystoneKeystone
Keystone

Table of Contents