EasyManua.ls Logo

KickAss UNI ZONE - Dual Zone Wiring Diagram; Electrical Schematic for Dual Zone

KickAss UNI ZONE
19 pages
Print Icon
To Next Page IconTo Next Page
To Next Page IconTo Next Page
To Previous Page IconTo Previous Page
To Previous Page IconTo Previous Page
Loading...
15
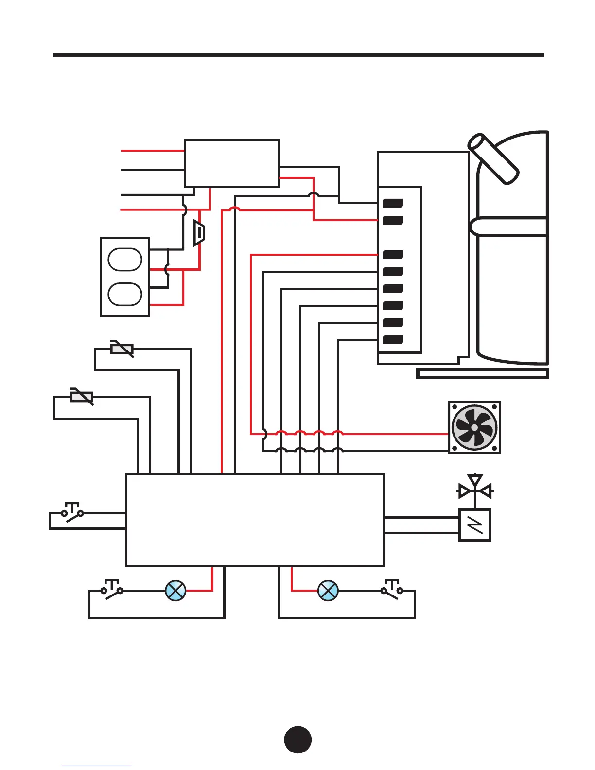
WIRING DIAGRAM - DUAL ZONE
AC 100-240V
50/60HZ
L
N
DC 12/24V
-
+
12V
USB
ADAPTER
-
+
F+
F-
D
C
P
T
D
C
P
T
2
1
2
1
2
1
P5
P9
P3
2
1
2
1
+
-
P6 P1 P2
2
1
2
1
P7 P4
MOTOR FAN
ELECTROMAGNETIC
VALVE
2
1
TEMP. SENSOR
BK
BK
2
1
BK
BK
TEMP. SENSOR
DOOR SW LAMP DOOR SW LAMP
RD
BK
RD
BK
COMPRESSOR UNIT
CONTROL AND OPERATION UNIT

Related product manuals