EasyManua.ls Logo

KIRLOSKAR KC2 - Page 40

KIRLOSKAR KC2
58 pages
Print Icon
To Next Page IconTo Next Page
To Next Page IconTo Next Page
To Previous Page IconTo Previous Page
To Previous Page IconTo Previous Page
Loading...
28
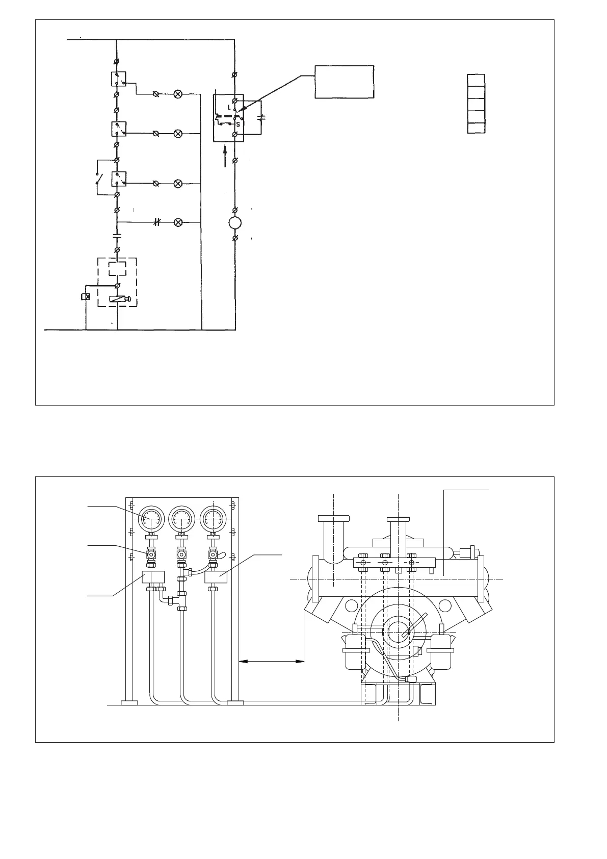
Figure 27A: Wiring Diagram for Pressostats
(for diesel engine drive)
O/L = OVER LAY DELAY
L1 = INDICATING LAMP - CONDENSOR WATER FLOW (LOW-TRIP)
L2 = INDICATING LAMP - DISCHARGE PRESSURE (HIGH TRIP)
L3 = INDICATING LAMP - SUCTION PRESSURE (LOW-TRIP)
L4 = INDICATING LAMP - OIL PRESSURE (LOW-TRIP)
TS = TOGGLE SWITCH (L.P. BY PASS)
C1 = AUXILIARY CONTACTOR (12 V DC/24 V DC)
CONTACT RELAY 5 AMP. 1 NO + 1 NC
TM = ON TIME DELAY TIMER (12 V DC/24 V DC)
TIME SETTING 60 SECONDS
HP = PRESSOSTAT - H.P. DELIVERY - MP-5 (HIGH)
LP = PRESSOSTAT - L.P. SUCTION - MP-1 (LOW)
OP = PRESSOSTAT - O.P. OIL PRESSURE- MP-55
Figure 28 Cut out and Gauge Piping
COMPRESSOR
1 MTR.
CUT OUT
LP / OP
CUT OUT
HP / LP
K5 VALVE
GAUGES
12 VDC/24 VDC
T1
T2
T4
(WATER FLOW SWITCH)
T3
L1
T12
OP
HP
T5
L2
T6
T7
LP
T8
L3
T9
T10
L4
C1nc
T14
T13
TS
T15
C1no
T11
TM
SAFETY
CONTROLS WITH
ENGINE STOP
SOLENOID VALVE
PROVIDED ON
ENGINE
T13
BYPASS
HEATER
CONNECTIONS
T12
T13
L
S
C1
NEUTRAL

Related product manuals