EasyManua.ls Logo

KitchenAid 8301169 - Oven Schematic

KitchenAid 8301169
24 pages
Print Icon
To Next Page IconTo Next Page
To Next Page IconTo Next Page
To Previous Page IconTo Previous Page
To Previous Page IconTo Previous Page
Loading...
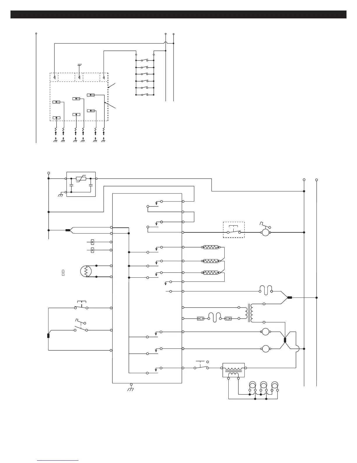
11
L2N
L1
TEMP SENSOR
1080 AT 70°F
1654 AT 350°F
CONTROL POWER
TRANSFORMER
M
~
CONV. FAN
BROIL-3000W
BAKE-2000W
CONV.-1600W
HALOGEN
LATCH
SWITCH
(OPEREATED BY
MOTOR)
DOOR
SWITCH 1
BRN
BU
V
GRN
W
OR
BU
R
Y
R
GY
BK
BK
W
5W/BULB
BK
W
t°
BK
P4-1
P4-2
P7-4
P7-2
P7-3
P3-1
P1-3
P5-4
P5-1
P5-3
P1-1
P1-5
TA N
NOTE: CIRCUIT SHOWN IN STANDBY/OFF
MODE WITH OVEN DOOR CLOSED.
P7-1
W
W
TA N
TA N
W
BK
W
R
BLOWER
R
W
DOOR LOCK
MOTOR LATCH
R
V
P7-5
SUPPRESSOR WP#4451985
ELECTRONIC CONTROL
DOUBLE LINE
BREAK RELAY
TOD - NON RESETABLE
P9-1
P9-3
WISP CONNECTOR
(SEE
*
)
(
*
). BLOWER REMAINS OFF UNTIL OVEN REACHES 190°F (88°C) AND MAY
CONTINUE RUNNING UP TO 45 MINUTES AFTER OVEN HAS TURNED OFF.
LATCH ASSY
F
Y
ORG
2
1
A
BK
W
BK
BK
BK
OFF
AUTO
LIGHT
SWITCH
LIGHT POWER
SUPPLY
BU
BU
P3-2
P3-3
BK
Y
P8-1
P8-3
Y
P8-2
ORG
P8-4
BK
DOOR
SWITCH 2
ON LATCH ASSY
ORG
W
C
W
W
W
W
W
B
R
R
M
~
M
~
BU
CONTROL PANEL
THERMAL FUSE 183°F (84°C)
W
BK
L1
L2N
VALVE SWITCHES
IGNITOR ELECTRODES
SPARK
MODULE
YEL OR BRN (6) PLCS
W
R
W
W
W
W
GRN
R
BK
GDN
Cooktop schematic
Oven schematic

Related product manuals