EasyManua.ls Logo

KitchenAid KECC586G - Wiring Diagram & Strip Circuits

KitchenAid KECC586G
32 pages
Print Icon
To Next Page IconTo Next Page
To Next Page IconTo Next Page
To Previous Page IconTo Previous Page
To Previous Page IconTo Previous Page
Loading...
6-1
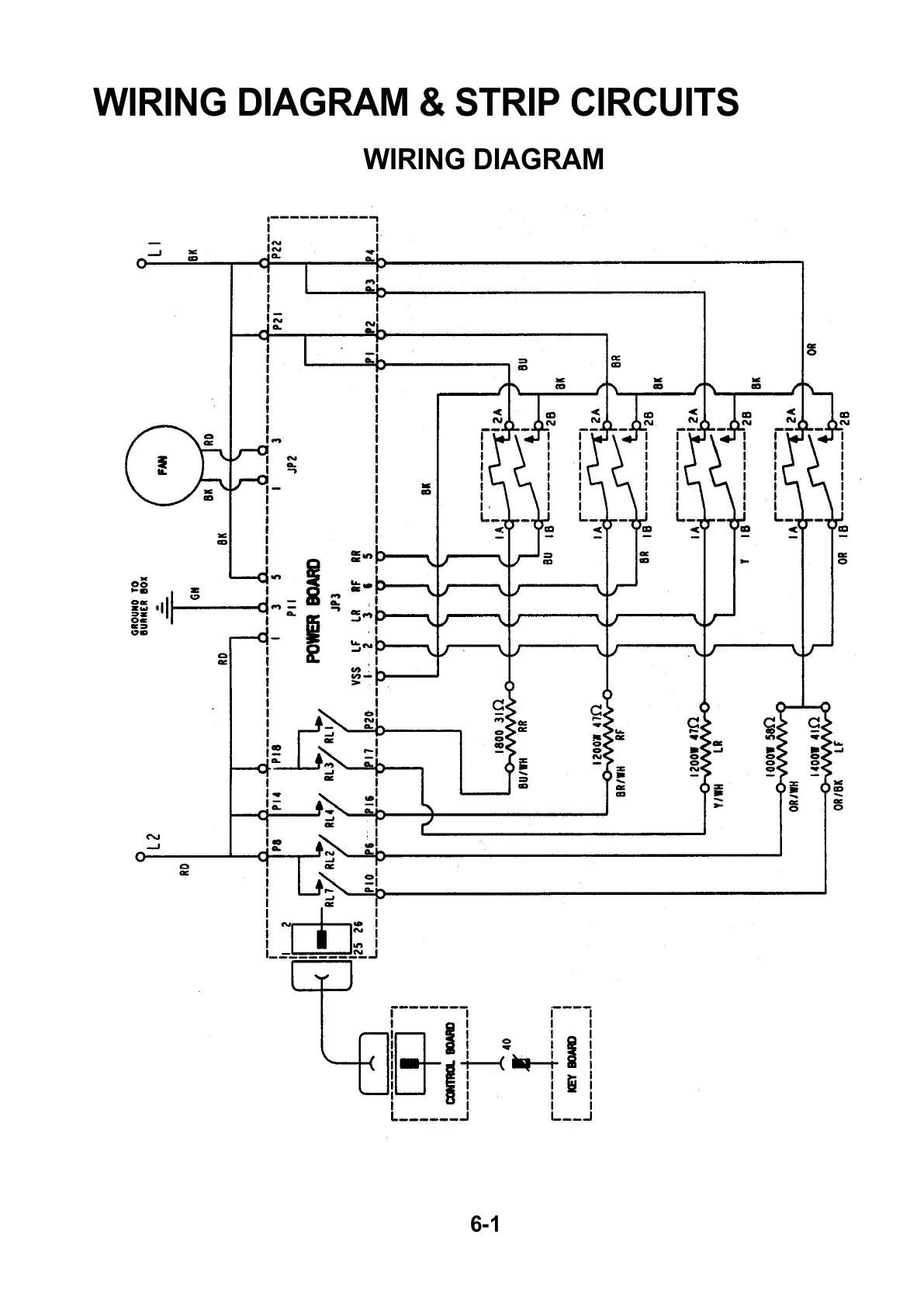
WIRING DIAGRAM & STRIP CIRCUITS
WIRING DIAGRAM
All manuals and user guides at all-guides.com

Related product manuals