EasyManua.ls Logo

KitchenAid KODE300ESS - Page 16

KitchenAid KODE300ESS
52 pages
Print Icon
To Next Page IconTo Next Page
To Next Page IconTo Next Page
To Previous Page IconTo Previous Page
To Previous Page IconTo Previous Page
Loading...
2-2
n
Built-In Single and Double Wall Ovens
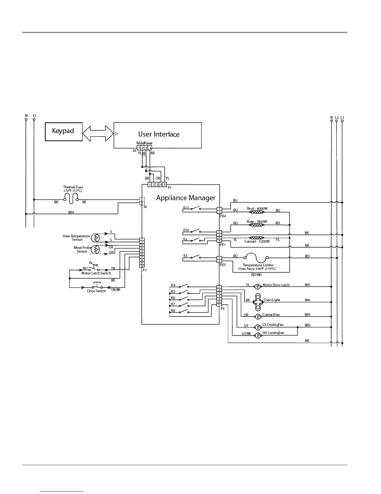
OPERATION
We will start talking about the electrical system on the single oven because thats the easiest operaon
to work with. The Double oven operates exactly the same way, but it can do 2 idencal operaons at
the same me. We will be working through the wiring diagram and looking at each of the electronic
boards to see how they receive electrical power and how electricity is distributed throughout the
system. We can look at the Wiring Diagram to see how electricity ows and what informaon is
required by the control board to make everything work and make the consumers cooking me more
enjoyable. We’ll talk about error codes and see how they can make your job a lot easier and less me
consuming. All informaon we talk about is in the TECH SHEET which is located behind the Control
Panel in every oven KitchenAid produces.
How this Oven works.
NOTE: Circuit shown in STANDBY/OFF mode with oven door closed.

Related product manuals