EasyManua.ls Logo

Klarstein PURELINE - Esquemas Técnicos

Klarstein PURELINE
Print Icon
To Next Page IconTo Next Page
To Next Page IconTo Next Page
To Previous Page IconTo Previous Page
To Previous Page IconTo Previous Page
Loading...
66
ES
Diagrama de funcionamiento eléctrico
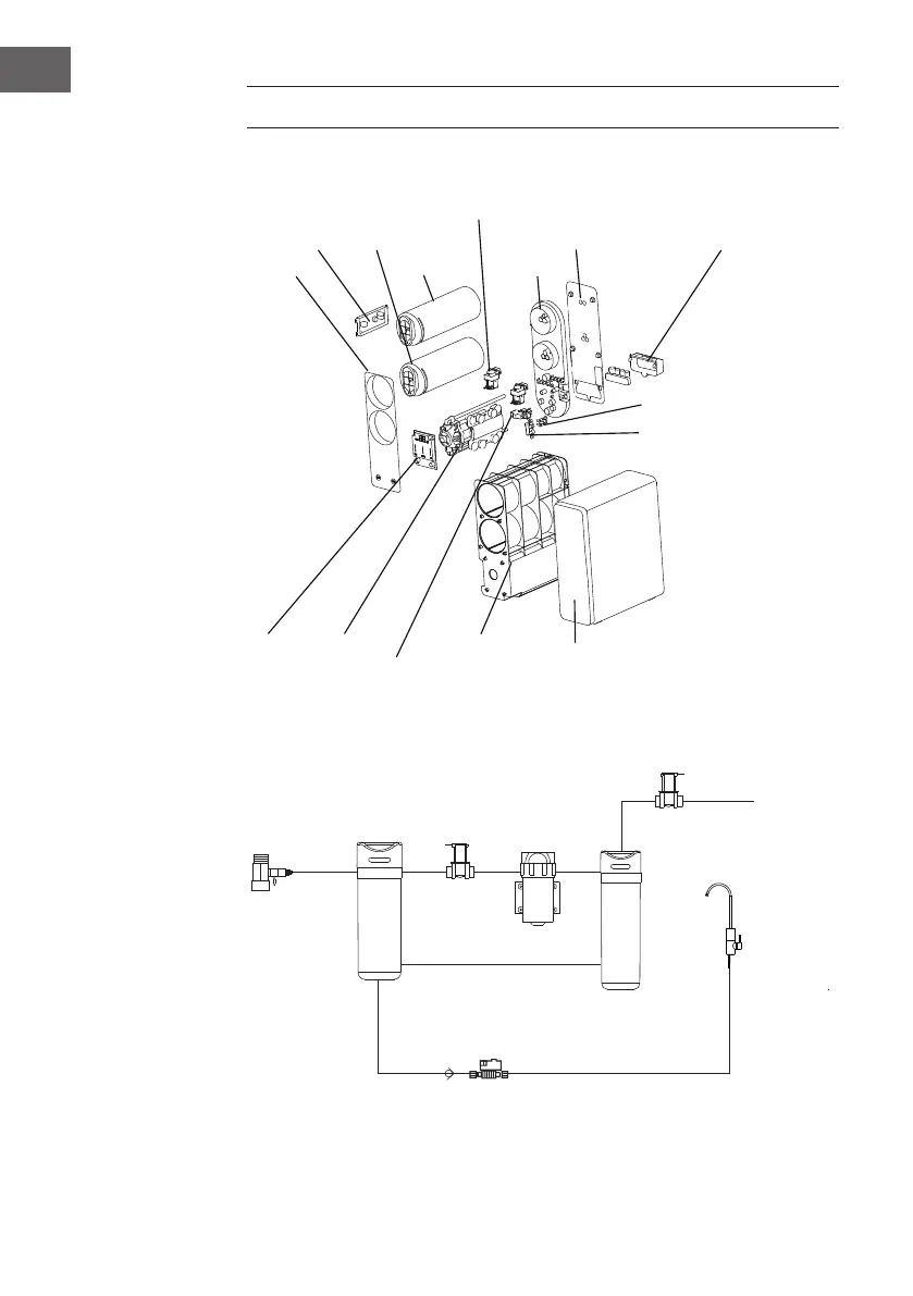
ESQUEMAS TÉCNICOS
Lista detallada de todos los componentes
1 Panel frontal
2 Panel de control
3 Cartucho PCT
4 Membrana RO
(ósmosis inversa)
5 Electroválvula de
alimentación
6 Placa de agua
integrada
7 Placa base
8 Tapa del grifo
9 Suministro eléctrico
10 Válvula de retención
11 Carcasa exterior
12 Cuerpo del bastidor
13 Válvula de alta
presión
14 Bomba de refuerzo
15 Indicador
1
2
3
4
5
6
7
8
9
10
11
12
13
14
15
Agua potable
Membrana RO
(ósmosis inversa)
Bomba auxiliar
Filtro PCT
Válvula
en T
Válvula de retención
magn. Válvula de
desagüe
magn.válvula de entra-
da de agua
drenar agua
Grifo de
agua

Table of Contents

Related product manuals