EasyManua.ls Logo

Kohler 12RESM1

Kohler 12RESM1
40 pages
To Next Page IconTo Next Page
To Next Page IconTo Next Page
To Previous Page IconTo Previous Page
To Previous Page IconTo Previous Page
Loading...
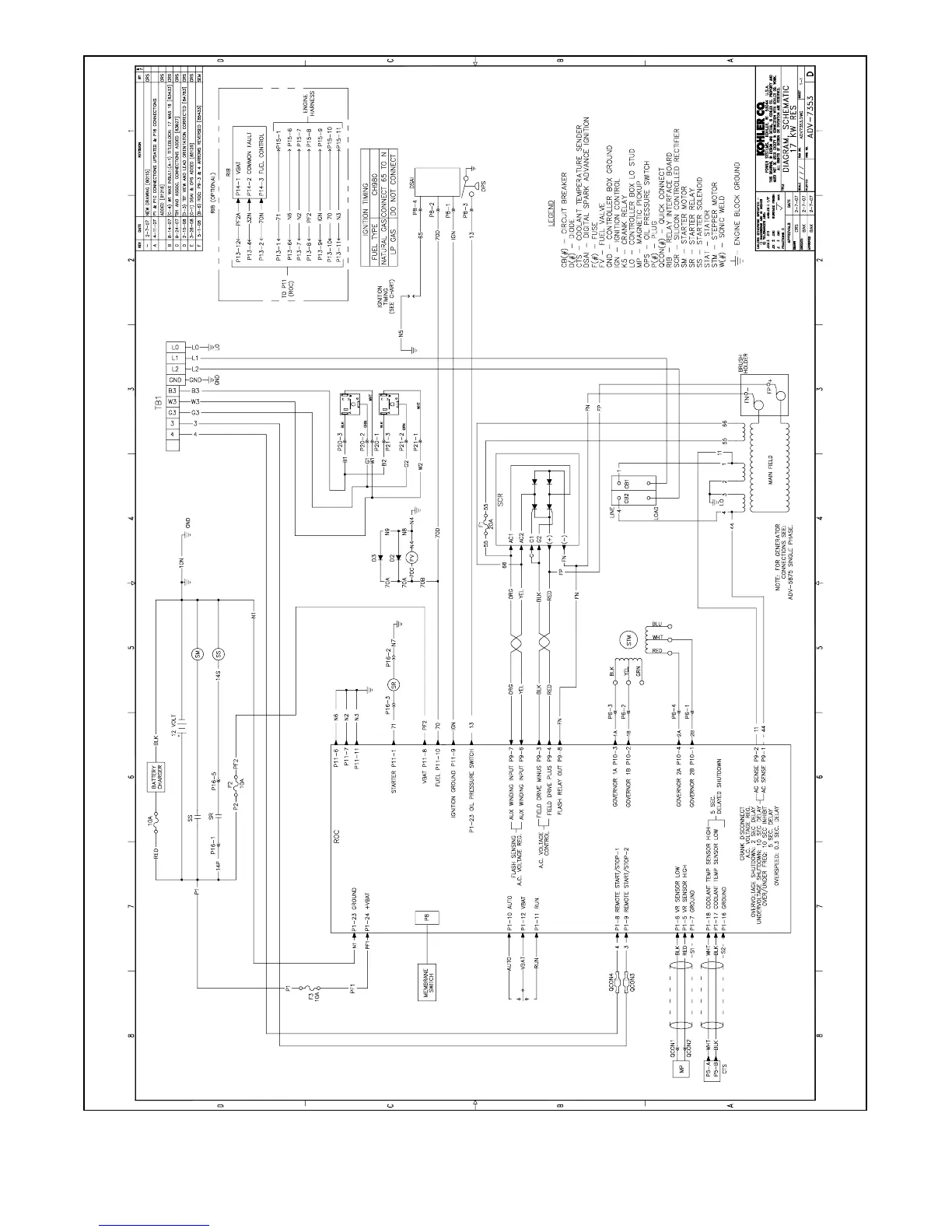
TP-6516 4/0932 Section 2 Wiring Diagrams
-
Figure 2-4 Schematic Diagram, Single Phase, 17/18 kW Models, ADV-7353

Other manuals for Kohler 12RESM1

Related product manuals