EasyManua.ls Logo

Kohler 15CCFOZ - Stopping

Kohler 15CCFOZ
140 pages
To Next Page IconTo Next Page
To Next Page IconTo Next Page
To Previous Page IconTo Previous Page
To Previous Page IconTo Previous Page
Loading...
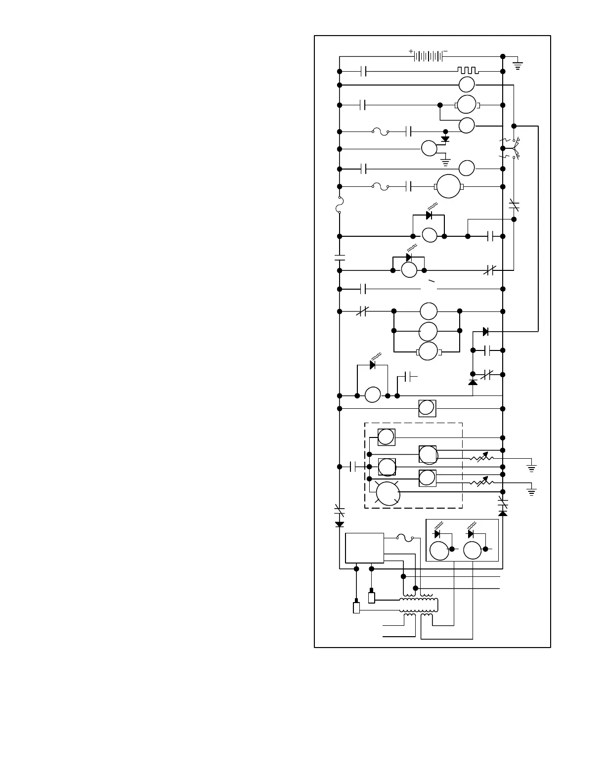
TP-5606 6/02 Controller Troubleshooting 5-3
Stopping
A normal stop is initiated by rocking the Start/Stop
Switch on the controller front panel to the Stop position
and then releasing the switch. Holding the switch in
the Stop position energizes the C1 relay, causing
further, unnecessary heating of the intake manifold.
In the Stop position, the Start/Stop switch provides a
ground through two blocking diodes to energize the K4
relay (LED4 lights). The normally open K4A contacts
then close, latching the K4 relay in an energized
condition.
At the same time, normally closed K4B contacts open to
de-energize the FP (fuel pump) motor, the K25 relay,
and the K30 relay. The normally open K30 relay contacts
open to de-energize the 12 VDC fan for the remote
radiator. The normally open K25 contacts open to
de-energize the FS (fuel) solenoid, turning off the flow of
fuel. With the fuel supply and fuel pump both turned off,
the engine turns off.
When the engine turns off, the generator output decays
and causes relays K1 and K5 to de-energize (LED1 and
LED5 go out). The normally open K1D contacts then
open, de-energizing the K2 relay (LED2 goes out).
When the K2 relay de-energizes, the normally open K2
contacts open to interrupt power to the remaining
controller relay circuits, including relay K4. As a result,
thelatch-upoftheK4relayisbrokentoreturnthe
controller circuits to a normal prestart condition.
FROM SAFETY
SHUTDOWN
SWITCHES
K5
K4A
LED4
K4
K2
OP
WT
HR
K1A
10 A.
MAIN FIELD
L2
LO
LO
L1
VOLTAGE
REGULATOR
LED1 LED5
K1 K5
12 VDC
AIR HEATER
C1
M
FS
S
10 A.
K25
K30
FP
10 A.
START
STOP/
PREHEAT
K1C
K1D
K1E
K2
K3
K3
K2
K20
S
B.C.
ALT
LED3
LED2
C1
15 A.
K30
12VDC
FAN
K25
K4B
K20
HR
BV
GEN
ON
REMOTE PANEL
K1F
K1B
Figure 5-3. Single-Phase Generator Sequence of
Operation, Stopping

Table of Contents

Other manuals for Kohler 15CCFOZ

Related product manuals