EasyManua.ls Logo

Kohler 26RCAL - Page 75

Kohler 26RCAL
92 pages
Print Icon
To Next Page IconTo Next Page
To Next Page IconTo Next Page
To Previous Page IconTo Previous Page
To Previous Page IconTo Previous Page
Loading...
TP-7091 4/23 75
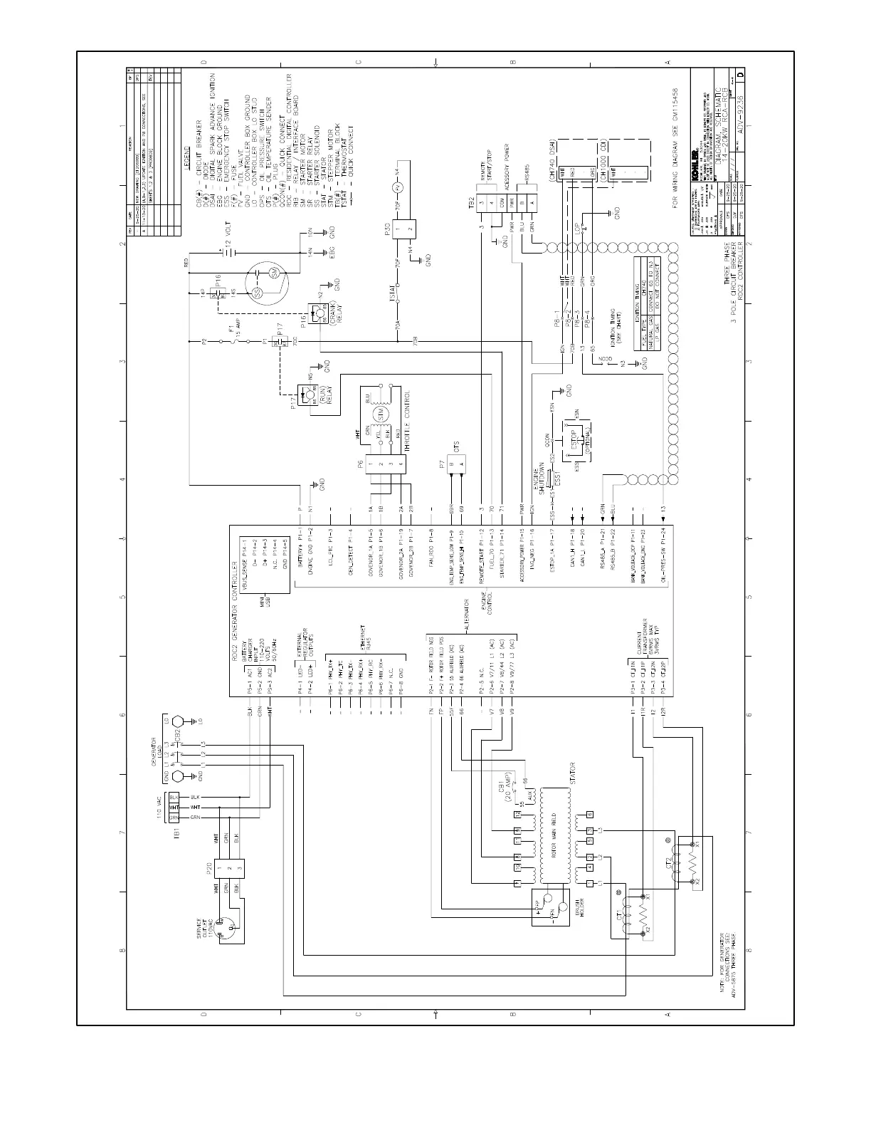
Figure 75 Schematic Diagram, 14/20RCA/L, ADV-9236 Sheet 4

Related product manuals