EasyManua.ls Logo

Kohler 26RCAL - Page 80

Kohler 26RCAL
92 pages
Print Icon
To Next Page IconTo Next Page
To Next Page IconTo Next Page
To Previous Page IconTo Previous Page
To Previous Page IconTo Previous Page
Loading...
80 TP-7091 4/23
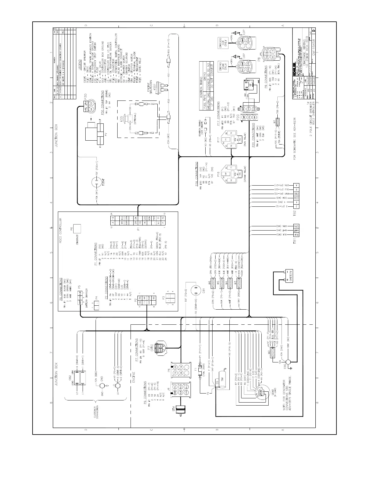
Figure 80 Wiring Diagram, 14/20RCA/L, GM115458 Sheet 1, Single Phase, 2-Pole Circuit Breaker

Related product manuals