EasyManua.ls Logo

Kohler 4.5EFOD - Page 53

Kohler 4.5EFOD
60 pages
To Next Page IconTo Next Page
To Next Page IconTo Next Page
To Previous Page IconTo Previous Page
To Previous Page IconTo Previous Page
Loading...
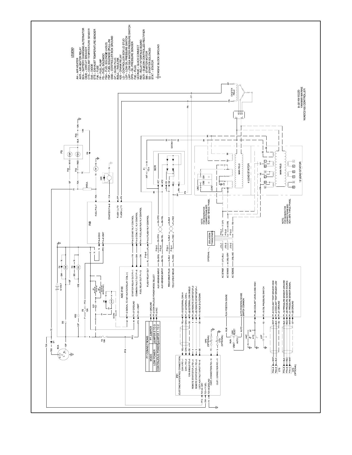
TP-6252 2/08 53Section 5 Wiring Diagrams
ADV7283A-A
Figure 5-7 Schematic for Models 8--32EOZD/6.5--27EFOZD (Sheet 1 of 2)

Table of Contents

Related product manuals