EasyManua.ls Logo

Kohler 60RCLB - Page 32

Kohler 60RCLB
84 pages
Print Icon
To Next Page IconTo Next Page
To Next Page IconTo Next Page
To Previous Page IconTo Previous Page
To Previous Page IconTo Previous Page
Loading...
32 TP-7203 4/23
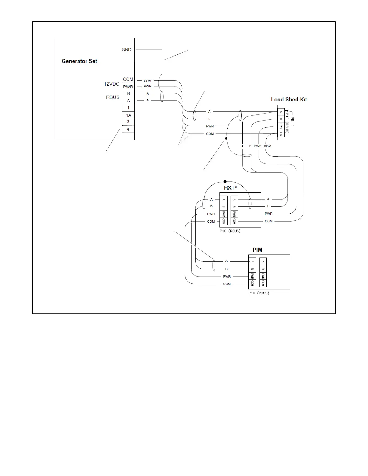
Figure 17 Accessory Module Connections with 12-14 AWG Power Leads (one cable run with three modules shown)
Generator set terminal block.
Check the decal on the generator
set for terminal block connections.
Connect one end of each cable shield to
GROUND at the generator set.
Communication cable Belden #9402, #1075, or equivalent
20 AWG shielded, twisted-pair cable (one pair).
Connect shields
together as shown.
Note:
See the Communication Cable Specifications section for
maximum cable lengths.
* RXT transfer switch with standard or combined
interface/load management board. Do not use a load shed
kit with a combined interface board.
12 AWG or 14 AWG leads
for PWR and COM.

Related product manuals