EasyManua.ls Logo

Kohler 60RCLB

Kohler 60RCLB
84 pages
To Next Page IconTo Next Page
To Next Page IconTo Next Page
To Previous Page IconTo Previous Page
To Previous Page IconTo Previous Page
Loading...
TP-7203 4/23 73
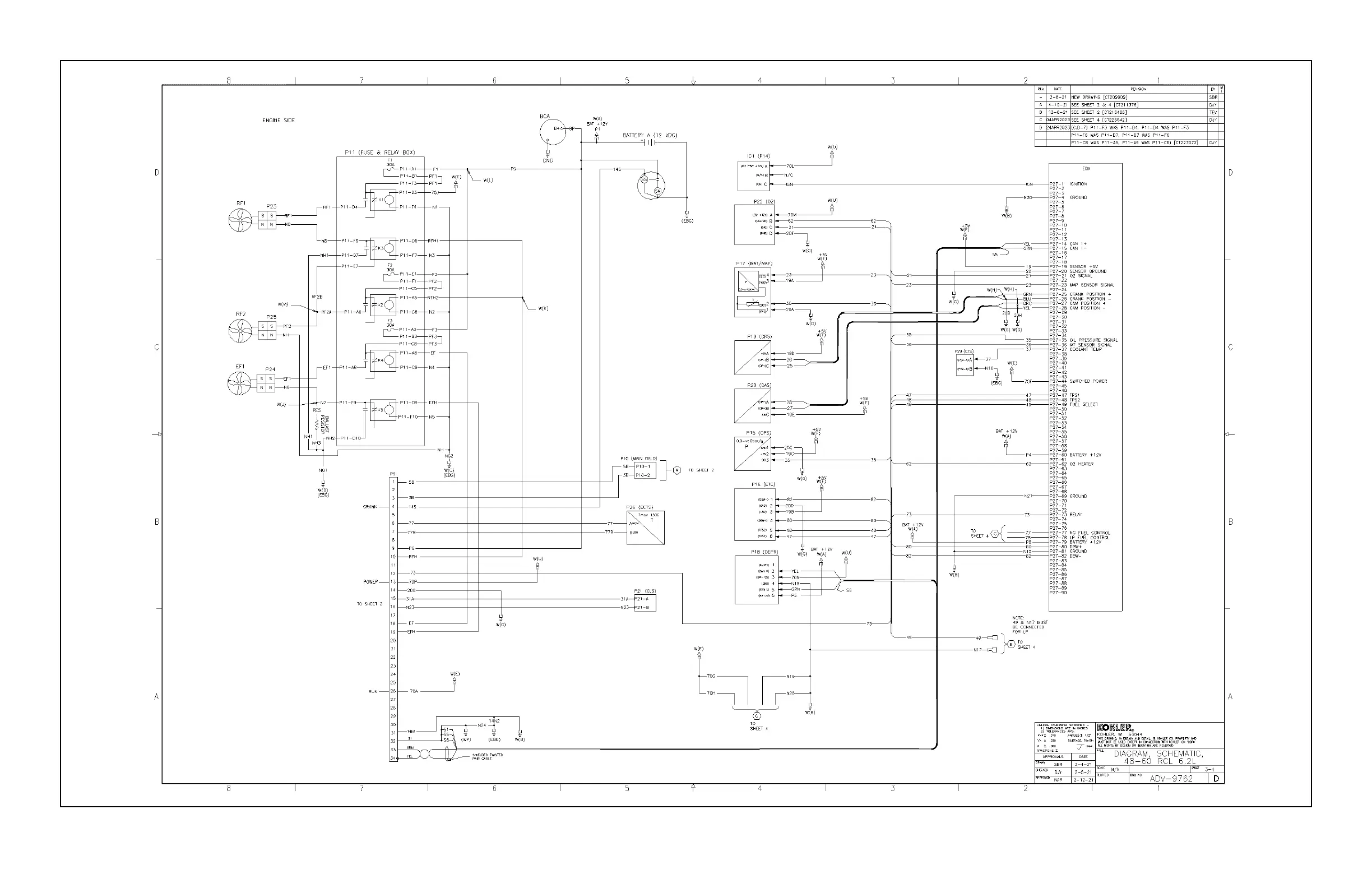
Figure 52 Schematic Diagram, ADV-9762, Sheet 3 of 4

Related product manuals