EasyManua.ls Logo

Kohler Command PRO CS - Page 72

Kohler Command PRO CS
162 pages
Print Icon
To Next Page IconTo Next Page
To Next Page IconTo Next Page
To Previous Page IconTo Previous Page
To Previous Page IconTo Previous Page
Loading...
8.16
Section 8
Electrical System and Components
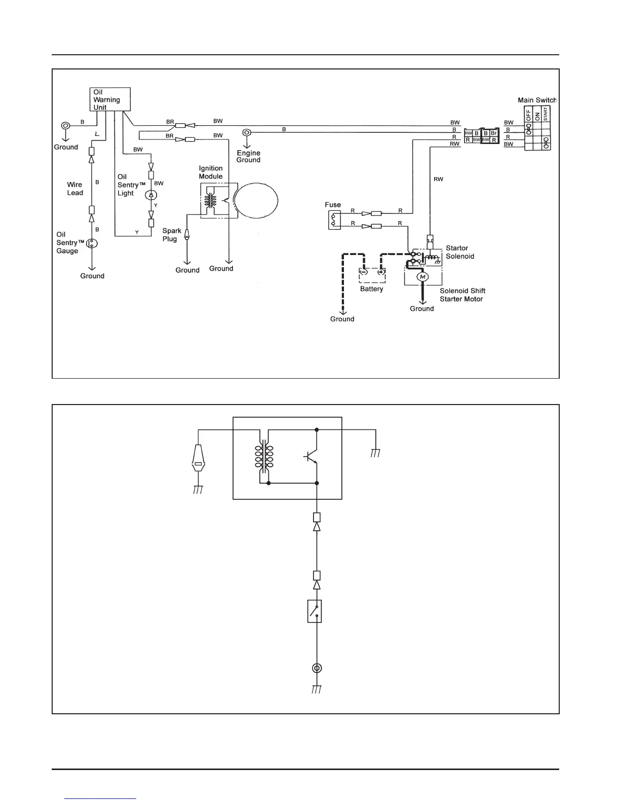
Figure 8-20.
Figure 8-21.
No Charging System, Operational
Off Battery. Oil Sentry™ System.
Solenoid Shift Electric Starter.
Recoil Start
No Oil Sentry™ System.
Stop Switch Only.
Ignition Module
Spark
Plug
Ground
Ground
Stop
Switch
Wire
Lead
B
BW
B
Ground

Related product manuals