EasyManua.ls Logo

Kohler Command Pro ECV880 - Wiring Diagram Mechanical Governor

Kohler Command Pro ECV880
104 pages
Print Icon
To Next Page IconTo Next Page
To Next Page IconTo Next Page
To Previous Page IconTo Previous Page
To Previous Page IconTo Previous Page
Loading...
3119 690 01 Rev. -- KohlerEngines.com
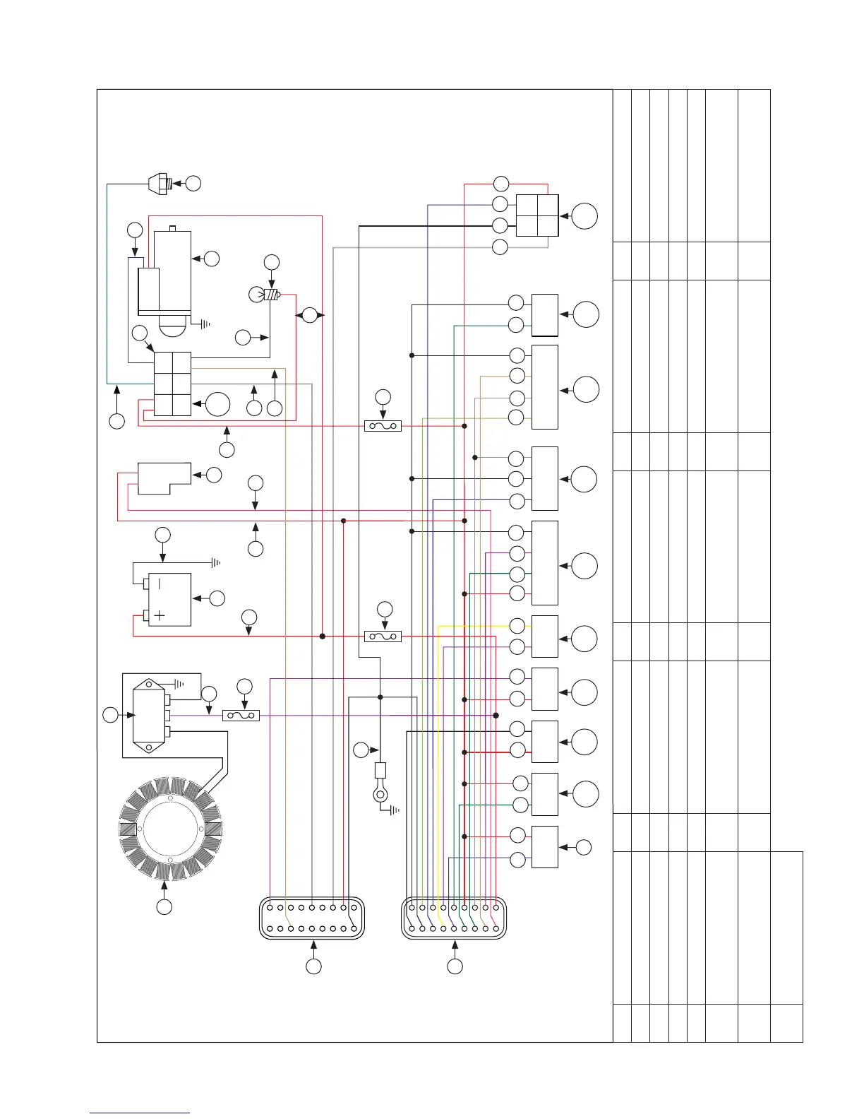
EFI SYSTEM
Wiring Diagram Mechanical Governor
A Red B Red/Black C Red/White D Yellow E Light Green
F Dark Green G Dark Blue H Purple I Pink J Tan
K White L Grey M Black N Stator O Recti er-Regulator
P 30A Fuse Q Battery R Fuel Pump S 6-Terminal Connector T Starter Motor
U Oil Pressure Switch V MIL W 10A Fuse X Black Connector Y Grey Connector
Z Fuel Injector #1 AA Fuel Injector #2 AB Ignition Coil #1 AC Ignition Coil #2 AD
Crankshaft Position
Sensor
AE Oxygen Sensor AF
Throttle Position
Sensor
AG TMAP Sensor AH
EFI Oil Temperature
Sensor
AI Diagnostic Connector
AJ
Oil Temperature
Sensor (some models
AB AB ABC DABC 1 2 A B C
12
19
1018
19
1018
312
6
4
5
12
3
4
CAB
12312
4
C
J
G B
F B
B
M
B H H D
B
F
H
M
G
L
E F
M
M
J
K M G
B
K
W
A
P
H
I
V
W
O
M
M
Q
R
T
A
U
Z
AA
AB AC
AD
AE
AF
AG
AH
AI
F
M
B
S
AJ
Y
X
M
L
N
G

Table of Contents

Related product manuals