EasyManua.ls Logo

Kohler Command Pro EFI ECH980 - Page 35

Kohler Command Pro EFI ECH980
104 pages
Print Icon
To Next Page IconTo Next Page
To Next Page IconTo Next Page
To Previous Page IconTo Previous Page
To Previous Page IconTo Previous Page
Loading...
35
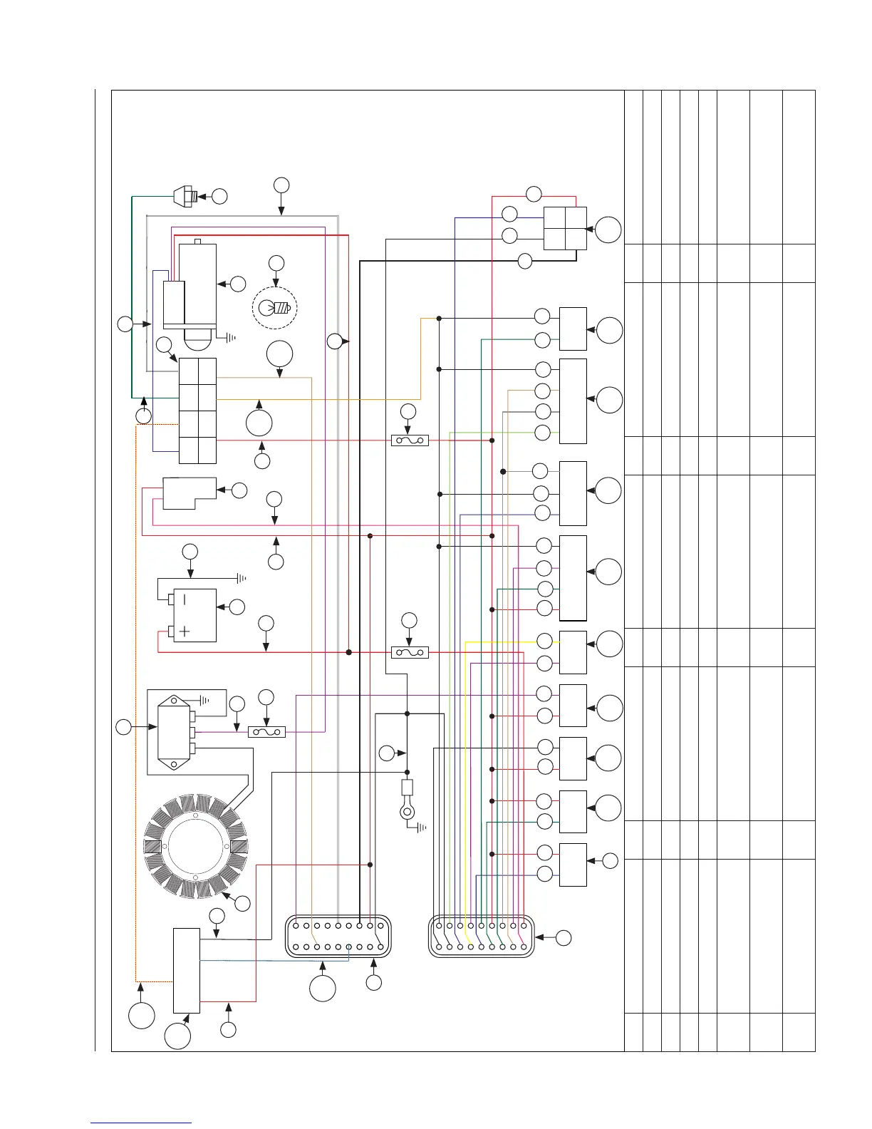
EFI SYSTEM
62 690 13 Rev. A KohlerEngines.com
Wiring Harness
EFI Wiring Diagram 8-Terminal Connector
A Red B Red/Black C Red/White D Yellow E Light Green
F Dark Green G Dark Blue H Purple I Pink J Tan
K White L Grey M Black N Stator O Rectifi er-Regulator
P 30A Fuse Q Battery R Fuel Pump S 8-Terminal Connector T Starter Motor
U Oil Pressure Switch V MIL (Optional) W 10A Fuse X Black Connector Y Grey Connector
Z Fuel Injector #1 AA Fuel Injector #2 AB Ignition Coil #1 AC Ignition Coil #2 AD
Crankshaft Position
Sensor
AE Oxygen Sensor AF
Throttle Position
Sensor
AG TMAP Sensor AH
Oil Temperature
Sensor
AI Diagnostic Connector
AJ Grey/Blue AK
Electronic Governor
only
AL Red/Yellow AM Orange AN Tan (MIL Ground)
AB AB ABC ABC 1 2 DABC
12
19
1018
19
1018
BD
A
C
CAB
12312
4
A
H
B
G
C
F
D
E
DABC
C
G B F
B
B M
B
H
H D B F
H
M
G
M
L
L M
E F
M
J
K
M G
B
K
W
AP
H
I
V
W
O
Y
M
A
N
X
Q
R
T
A
U
Z
AA
AB
AC
AD
AE
AF
AG
AH
AI
G
F
S
M
B
AK
AJ
AL
AM
AN
A
M

Other manuals for Kohler Command Pro EFI ECH980

Related product manuals