EasyManua.ls Logo

Kohler Command Pro EFI ECH980 - Governor System

Kohler Command Pro EFI ECH980
104 pages
Print Icon
To Next Page IconTo Next Page
To Next Page IconTo Next Page
To Previous Page IconTo Previous Page
To Previous Page IconTo Previous Page
Loading...
Governor System
5362 690 13 Rev. A KohlerEngines.com
GOVERNOR
Governed speed setting is determined by position of throttle control. It can be variable or constant, depending on
engine application.
Governor is designed to hold engine speed constant under changing load conditions. Most engines are equipped with
a centrifugal fl yweight mechanical governor. Governor gear/fl yweight mechanism of mechanical governor is mounted
inside crankcase and is driven off gear on camshaft.
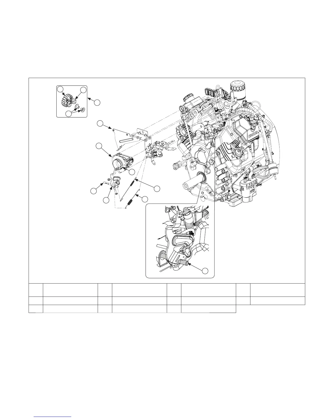
Governor Components
A
E
D
B
J
I
H
K
C
F
G
D
A Control Bracket B Throttle Body C
Throttle Linkage and
Linkage Spring
D Cross Shaft
E Governor Arm F Governor Spring G Governed Idle Spring H Flyweight
I Regulating Pin J Governor Gear K Inside Engine

Other manuals for Kohler Command Pro EFI ECH980

Related product manuals