EasyManua.ls Logo

Kohler Command Pro EFI ECH980 - Page 60

Kohler Command Pro EFI ECH980
104 pages
Print Icon
To Next Page IconTo Next Page
To Next Page IconTo Next Page
To Previous Page IconTo Previous Page
To Previous Page IconTo Previous Page
Loading...
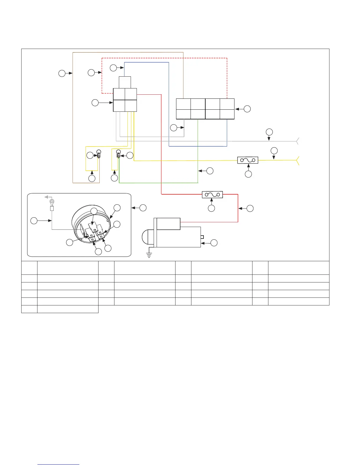
Electrical System
60 62 690 13 Rev. AKohlerEngines.com
A
H
B
G
C
F
D
E
CB
E
D
A
R
I
Q
F
O
M
K
N
P
D
U
G
J
S
T
L
O
H
H
H
E
B
C
A
A To Starter B ECU Power C 12V Constant D
Switch Power
Accessories
E Ground to Kill F Key Switch G Ground H Yellow
I MIL J Oil K Starter L Red
M 15 Amp Fuse N Green O White P 8-Pin Connector
Q 5-Pin Connector R Tan S Red with White Stripe T Blue
U 25 Amp Fuse
Wire Diagram-8-pin Connector and Key Switch Auxiliary Harness
Q

Other manuals for Kohler Command Pro EFI ECH980

Related product manuals