EasyManua.ls Logo

Kohler Command PRO EFI - Page 72

Kohler Command PRO EFI
204 pages
Print Icon
To Next Page IconTo Next Page
To Next Page IconTo Next Page
To Previous Page IconTo Previous Page
To Previous Page IconTo Previous Page
Loading...
EFI SYSTEM-ECH WITH OXYGEN SENSOR
72
24 690 01 Rev. SKohlerEngines.com
AB AB ABC DABC 1 2 312ABC AB12
12
19
1018
19
1018
ED
A
C
B
12
3
4
312
W
B
A
D
M
W
K
I
M
S
P
H
Y
O
A
K
X
N
Q
R
J
G
U
T
G B F B B M B H H D B F H M M L G L M E F M
M
J
K
M
G
B
Z
AJ
AI
AH
AG
AFAEADACAB
AA
V
D
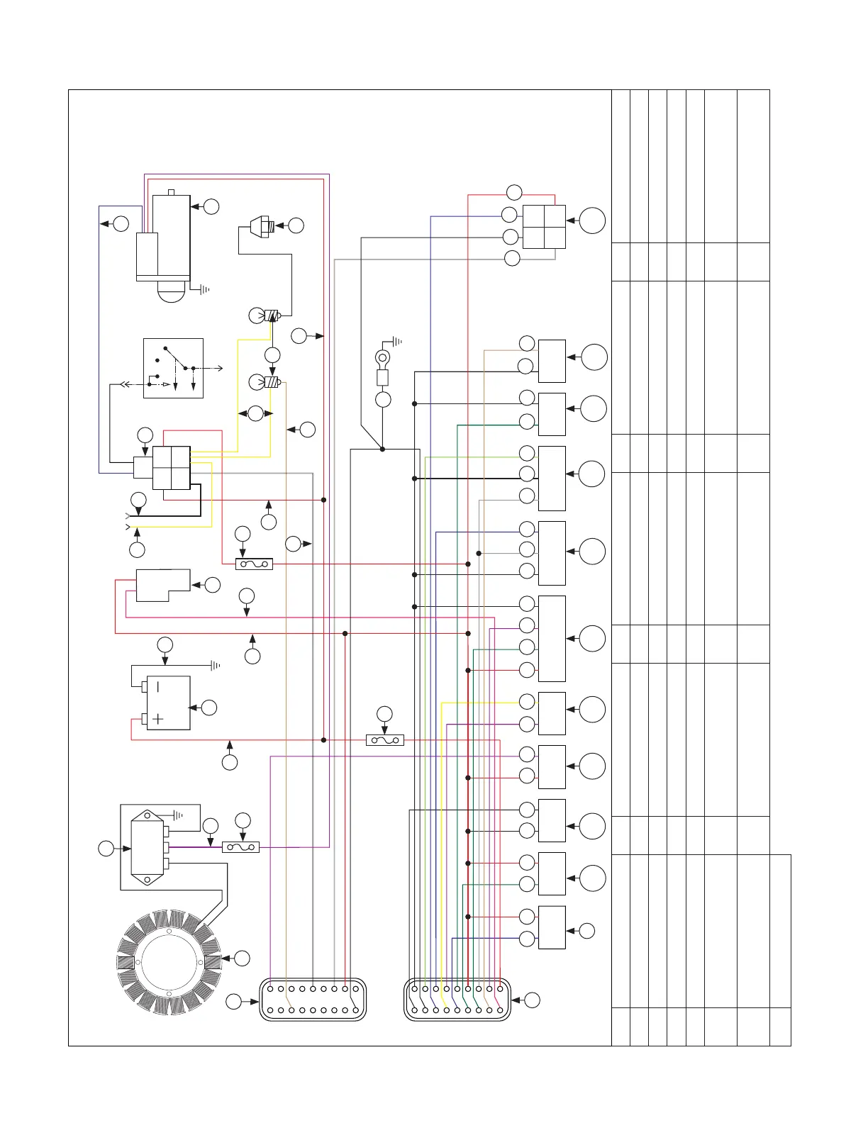
EFI Wiring Diagram 5-Terminal Connector and Optional Key Switch (engines with separate MAP sensor and intake air temperature sensor)
A Red B Red/Black C Red/White D Yellow E Light Green
F Dark Green G Dark Blue H Purple I Pink J Ta n
K White L Grey M Black N Stator O Recti er-Regulator
P 30A Fuse Q Battery R Fuel Pump S 5-Terminal Connector T Starter Motor
U Oil Pressure Switch V MIL W 10A Fuse X Black Connector Y Grey Connector
Z Fuel Injector #1 AA Fuel Injector #2 AB Ignition Coil #1 AC Ignition Coil #2 AD
Crankshaft Position
Sensor
AE Oxygen Sensor AF
Throttle Position
Sensor
AG
Manifold Absolute
Pressure Sensor
AH
Engine Temperature
Sensor
AI
Intake Air
Temperature Sensor
AJ Diagnostic Connector
C

Related product manuals