EasyManua.ls Logo

Kohler Command PRO EFI - Page 73

Kohler Command PRO EFI
204 pages
Print Icon
To Next Page IconTo Next Page
To Next Page IconTo Next Page
To Previous Page IconTo Previous Page
To Previous Page IconTo Previous Page
Loading...
7324 690 01 Rev. S KohlerEngines.com
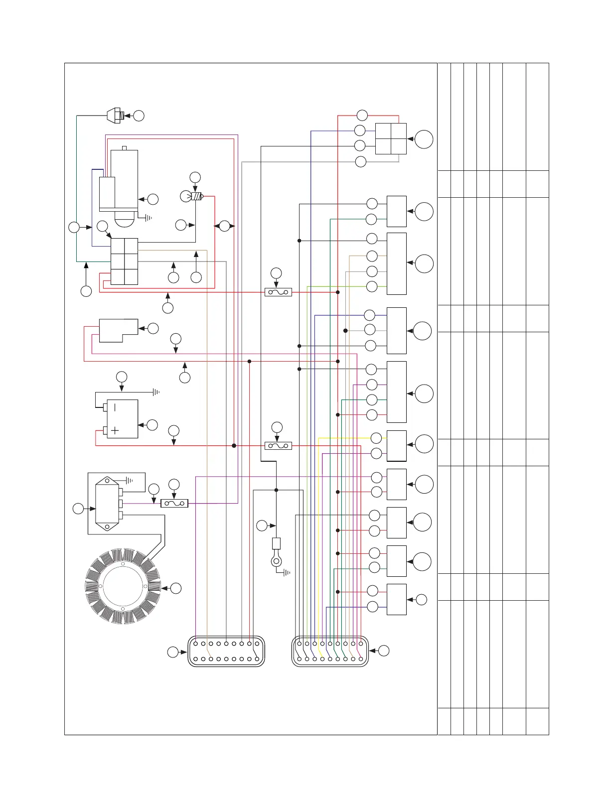
EFI SYSTEM-ECH WITH OXYGEN SENSOR
EFI Wiring Diagram 6-Terminal Connector (engines with TMAP sensor)
AB AB ABC DABC 1 2 A B C
12
19
1018
19
1018
312
6
4
5
12
3
4
312
12312
4
A Red B Red/Black C Red/White D Yellow E Light Green
F Dark Green G Dark Blue H Purple I Pink J Ta n
K White L Grey M Black N Stator O Recti er-Regulator
P 30A Fuse Q Battery R Fuel Pump S 6-Terminal Connector T Starter Motor
U Oil Pressure Switch V MIL (Optional) W 10A Fuse X Black Connector Y Grey Connector
Z Fuel Injector #1 AA Fuel Injector #2 AB Ignition Coil #1 AC Ignition Coil #2 AD
Crankshaft Position
Sensor
AE Oxygen Sensor AF
Throttle Position
Sensor
AG TMAP Sensor AH
Engine Temperature
Sensor
AI Diagnostic Connector
C
J
G B
F B B M
B H
H
D
B F H
M
M
L
G
L
ME
F
MJ
K
M G
B
K
W
A
P
H
I
V
W
O
Y
M
M
N
X
Q
R
T
A
U
Z
AA
AB
AC
AD
AE
AF
AG
AH
AI
G
F
M
B
S

Related product manuals