EasyManua.ls Logo

Kohler Command PRO EFI - Page 74

Kohler Command PRO EFI
204 pages
Print Icon
To Next Page IconTo Next Page
To Next Page IconTo Next Page
To Previous Page IconTo Previous Page
To Previous Page IconTo Previous Page
Loading...
EFI SYSTEM-ECH WITH OXYGEN SENSOR
74
24 690 01 Rev. SKohlerEngines.com
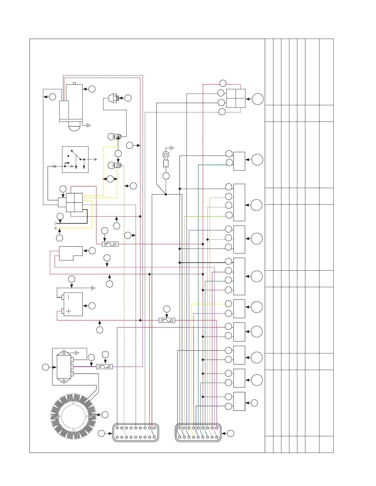
EFI Wiring Diagram 5-Terminal Connector and Optional Key Switch (engines with TMAP sensor)
AB AB ABC DABC 12 ABC
12
19
1018
19
1018
ED
A
C
B
12
3
4
312
312
4
12
W
B
A
D
M
W
K
I
M
S
P
H
Y
O
A
K
X
N
Q
R
J
G
U
T
G B F B B M B H H D B F H M M L G
L M
E
F
M
J
K
M
G
B
Z
AI
AH
AG
AFAEADACAB
AA
V
D
A Red B Red/Black C Red/White D Yellow E Light Green
F Dark Green G Dark Blue H Purple I Pink J Ta n
K White L Grey M Black N Stator O Recti er-Regulator
P 30A Fuse Q Battery R Fuel Pump S 5-Terminal Connector T Starter Motor
U Oil Pressure Switch V MIL (Optional) W 10A Fuse X Black Connector Y Grey Connector
Z Fuel Injector #1 AA Fuel Injector #2 AB Ignition Coil #1 AC Ignition Coil #2 AD
Crankshaft Position
Sensor
AE Oxygen Sensor AF
Throttle Position
Sensor
AG TMAP Sensor AH
Engine Temperature
Sensor
AI Diagnostic Connector
C

Related product manuals