EasyManua.ls Logo

Kohler Confidant ZT740

Kohler Confidant ZT740
72 pages
To Next Page IconTo Next Page
To Next Page IconTo Next Page
To Previous Page IconTo Previous Page
To Previous Page IconTo Previous Page
Loading...
Electrical System
3316 690 01 Rev. -- KohlerEngines.com
Ignition System
These systems use a capacitive discharge (CD) coil. With CDI xed timing, ignition timing and spark remains constant
regardless of engine speed. Timing of spark is controlled by location of ywheel magnet group as referenced to
engine TDC. MDI adjustable timing uses a digital microprocessor which is located in ignition modules. Ignition timing
varies depending upon engine speed with this system.
A typical xed ignition system consists of:
1 magnet assembly which is permanently af xed to ywheel.
2 electronic capacitive-discharge or magnetic discharge ignition modules which mount on engine crankcase.
1 kill switch (or key switch) which grounds modules to stop engine.
2 spark plugs.
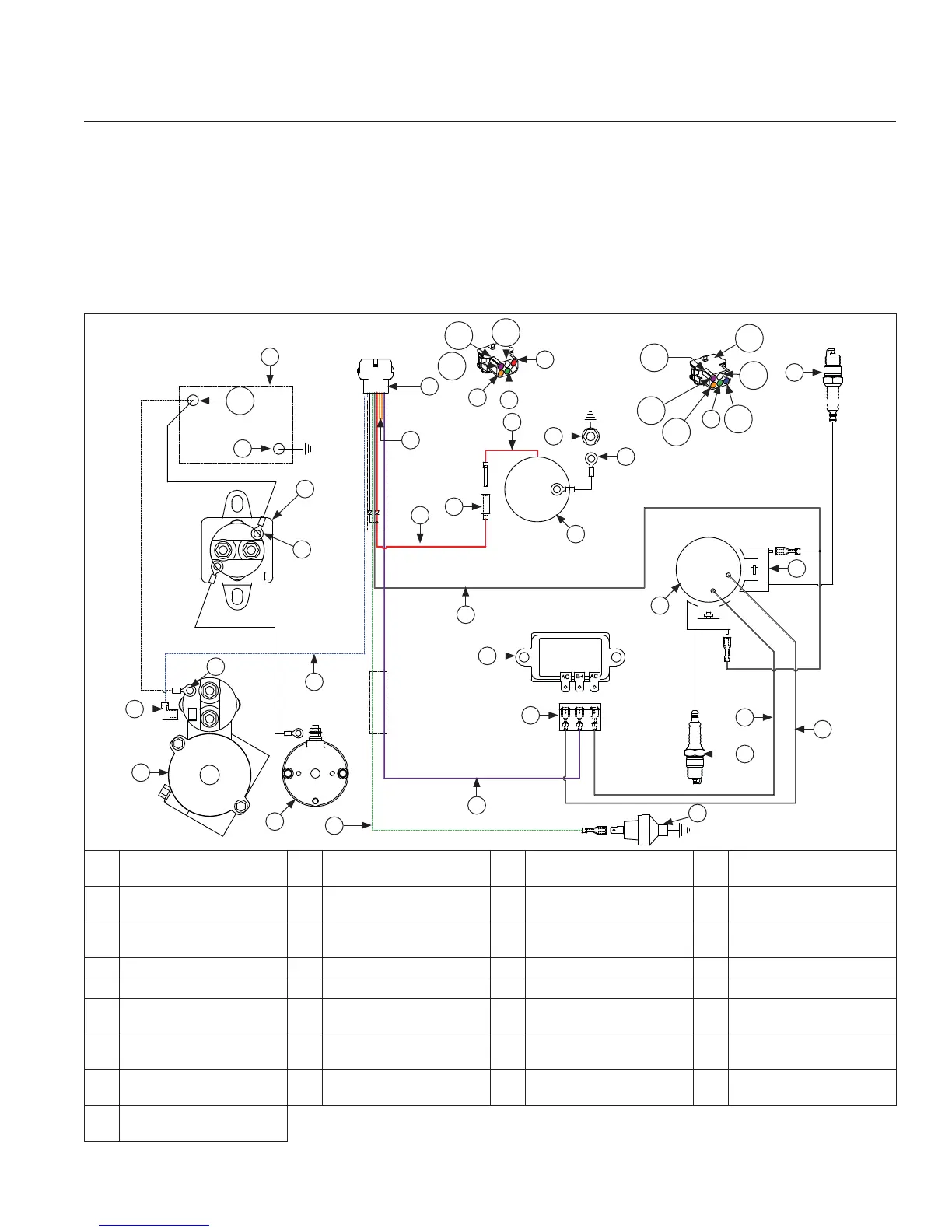
Wiring Diagram-Electronic Ignition System Diagram
H
Q
L
G
AD
D
D
S
T
H
M
K
F
D
J
I
G
E
C
B
A
U
V
W
X
Y
Z
S
R
P
Q
Q
N
O
AA
AB
AE
AF
AF
AC
AB
AC
AG
A Starter Solenoid Tang B
Solenoid Shift
Starter Assembly
C
Inertia Driver
Starter Assembly
D Green
E Violet (Charging) F Oil Sentry
TM
(Optional) G Spark Plug(s) H
White
(AC Charging Leads)
I
Recti er-Regulator
Connector
J Recti er-Regulator K
Flywheel Stator
Assembly
L Ignition Module(s)
M Intake Manifold Screw N Ground O Carburetor P White (Ignition Kill)
Q Red R Solenoid Lead S Orange T Connector
U Blue V Starter Solenoid Stud W Relay Stud X
Relay Cranking
(Customer Supplied)
Y Battery Negative Z Battery AA Battery Positive AB
Violet (shown)
or Orange
AC White AD
Orange (shown)
or Red
AE Blue (shown) or Red AF Polarity Rib
AG
Solenoid Shift Starter
Assembly (Optional)

Table of Contents

Other manuals for Kohler Confidant ZT740

Related product manuals