EasyManua.ls Logo

Kohler HD Series

Kohler HD Series
68 pages
To Next Page IconTo Next Page
To Next Page IconTo Next Page
To Previous Page IconTo Previous Page
To Previous Page IconTo Previous Page
Loading...
28
Governor System
KohlerEngines.com 14 690 10 Rev. --
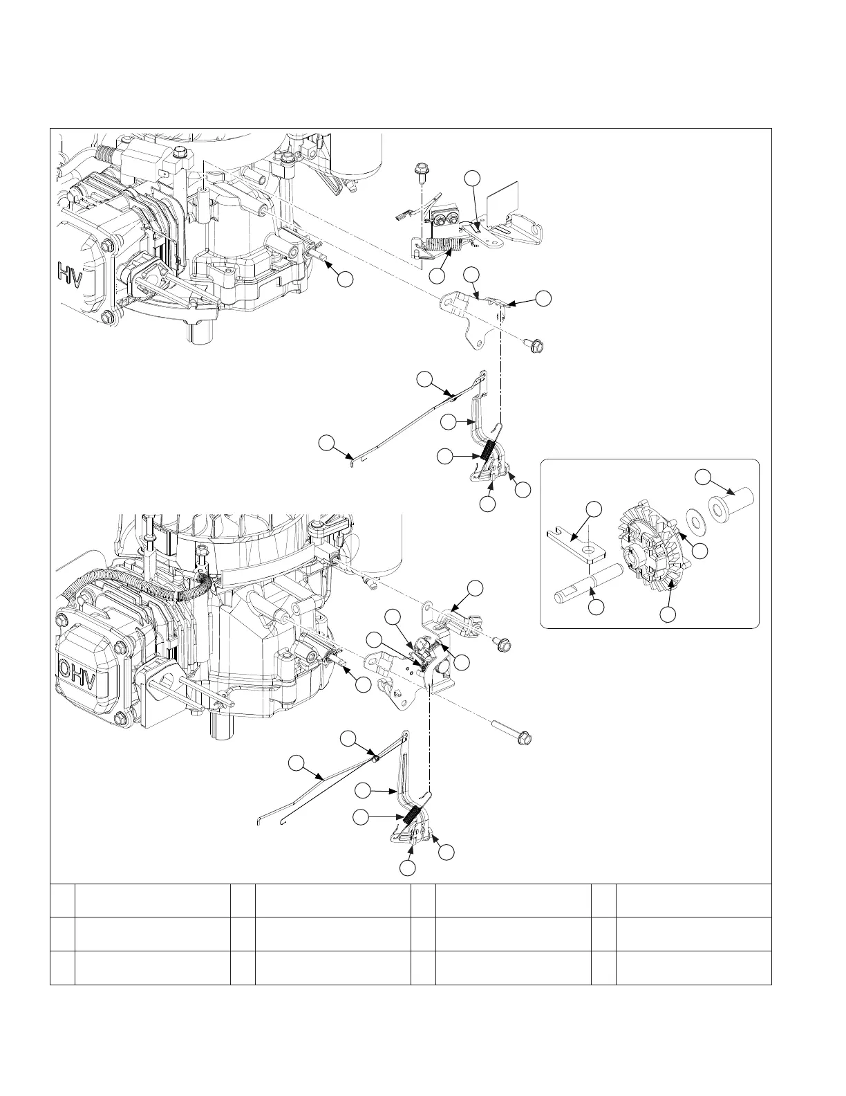
GOVERNOR
Governor Components
I
E
F
J
B
C
I
L
F
K
N
M
A
G
K
H
A
J
G
H
R
S
T
Q
P
D
O
A Governor Cross Shaft B
Brake Spring (if
equipped)
C
Brake Lever (if
equipped)
D
Fixed Speed Control
Bracket
E
High Speed Adjustment
Tab
F Governor Lever G Nut H Screw
I Governor Spring J Linkage Spring K Linkage L
Variable Speed Control
Lever

Other manuals for Kohler HD Series

Related product manuals