EasyManua.ls Logo

Kohler KDW 1003

Kohler KDW 1003
188 pages
To Next Page IconTo Next Page
To Next Page IconTo Next Page
To Previous Page IconTo Previous Page
To Previous Page IconTo Previous Page
Loading...
156
11
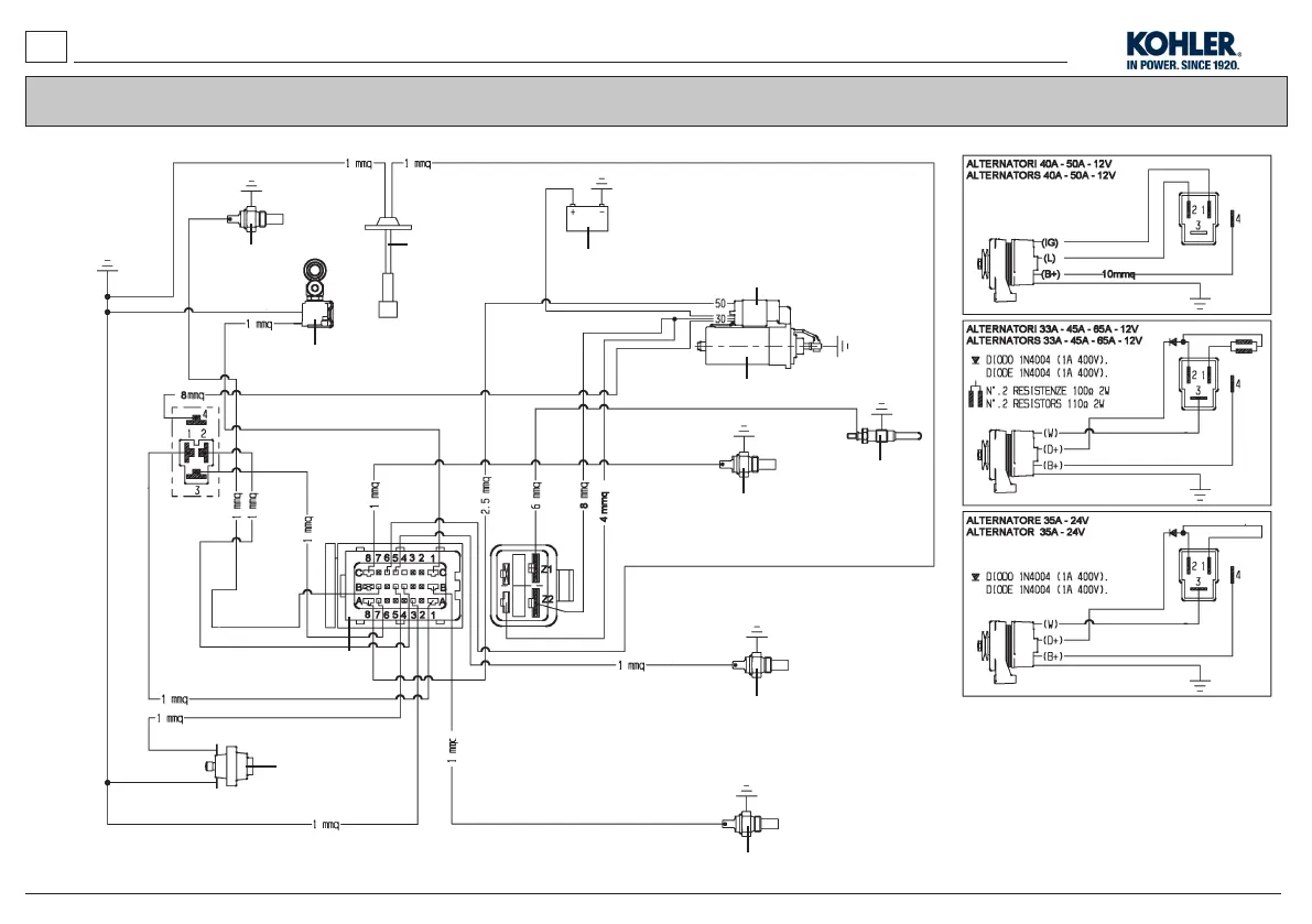
CIRCUITS - CIRCUITI - CIRCUITS - ANLAGEN - INSTALACIONES - CIRCUITOS
1
1
1
1
2
2
2
3
1
4
2
5
6
7
8
9
10
11
12
2
2
2
8
8
8
12
12
12
4
4
A
B
C
E
F
D
N
G
H
L
M
P
UM KDW 502_702_1003_1404_ cod. ED0053031090 - 4° ed_rev. 03
5) Wiring diagram for wiring of the motor - Schema elettrico cablaggio motore - Schéma de câblage moteur - Schaltplan der Motorverkabelung -
Esquema eléctrico del cableado del motor - Esquema eléctrico electricação motor

Table of Contents

Other manuals for Kohler KDW 1003

Related product manuals