EasyManua.ls Logo

Kollmorgen BDS4 Series - Page 18

Kollmorgen BDS4 Series
183 pages
Print Icon
To Next Page IconTo Next Page
To Next Page IconTo Next Page
To Previous Page IconTo Previous Page
To Previous Page IconTo Previous Page
Loading...
B
DS4 C
HAPTER
1 - S
YSTEM
D
ESCRIPTION
1-7
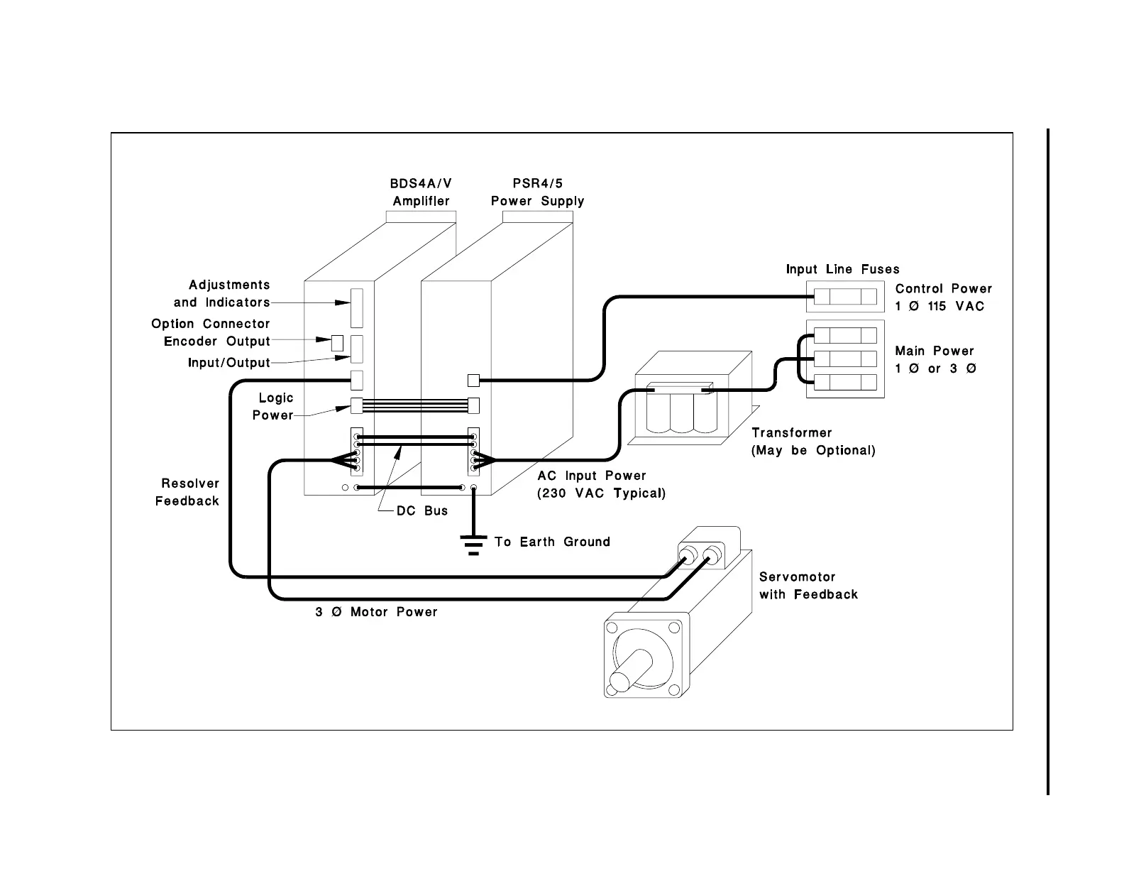
Figure 1.2. Typical System Diagram
Artisan Technology Group - Quality Instrumentation ... Guaranteed | (888) 88-SOURCE | www.artisantg.com

Related product manuals